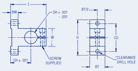
| Shaft Hangers  | 
 | 
| Material: Aluminum black anodized | |
| Part | Center Hole | Center Distance | Screw Size | Shaft Size | Length | Base Width | Height | Width | Base Thickness | |
|---|---|---|---|---|---|---|---|---|---|---|
| Buy | View | |||||||||
| ABA-F5-25 | .562 | .875 | # 6 | 1/4 | 1-1/8 | 3/16 | 1-1/8 | 5/8 | 3/8 | |
| ABA-F5-37 | .687 | .937 | # 8 | 3/8 | 1-5/16 | 3/16 | 1-1/4 | 5/8 | 1/2 | |
| ABA-F5-50 | .750 | 1.125 | # 10 | 1/2 | 1-7/16 | 1/4 | 1-1/2 | 3/4 | 5/8 | |
| ABA-F5-62 | 1.000 | 1.375 | # 10 | 5/8 | 1-3/4 | 3/8 | 1-3/4 | 7/8 | 3/4 | |
| ABA-F5-75 | 1.062 | 1.500 | # 1/4 | 3/4 | 1-7/8 | 1/2 | 1-7/8 | 1 | 7/8 | |
| ABA-F5-100 | 2.125 | 1.750 | # 1/4 | 1 | 3-1/16 | 5/8 | 2-1/4 | 1-1/4 | 1 | |