| Intermittent Motion Assemblies  | 
 | 
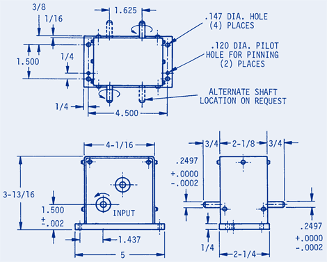
| Bronze Bearing Unit - Gear Driven Geneva. Gears - 2024-T4 Aluminum meshing with 303 stainless steel. Geneva - 303 stainles steel, Housing -aluminum, black anodized. Lubricated with Mil spec. oil and grease. Maximum input speed 300 rpm. Input rotation - either direction and reversible. Maximum output shaft backlash 30 minutes. | |