☰

Idlers

Idlers
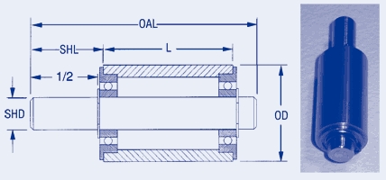
  • SHD = Shaft Diameter -.0002
  • L = Length
  • OAL = Overall Length
  • OD = Outside Diameter
  • SHL = Shaft Length & flange
Material: Bearings - 400 series st. st. shielded, Shafts - 303 st. st., Housing - 304 stainless steel Load Rating: 15rpm/lb
  • SHD = Shaft Diameter -.0002
  • L = Length
  • OAL = Overall Length
  • OD = Outside Diameter
  • SHL = Shaft Length & flange
Part Shaft Diameter -.0002 Length Overall Length Outside Diameter Shaft Length & flange
Buy View 9/16
ABX-T1-1 .1872 .500 1.25 3/8 9/16
ABX-T1-2 .1872 .500 1.25 1/2 9/16
ABX-T1-3 .1872 .500 1.25 5/8 9/16
ABX-T1-4 .2497 .500 1.25 1/2 9/16
ABX-T1-5 .2497 .500 1.25 5/8 9/16
ABX-T1-6 .2497 .500 1.25 3/4 9/16
ABX-T1-7 .1872 1.000 1.75 3/8 9/16
ABX-T1-8 .1872 1.000 1.75 1/2 9/16
ABX-T1-9 .1872 1.000 1.75 5/8 9/16
ABX-T1-10 .2497 1.000 1.75 1/2 9/16
ABX-T1-11 .2497 1.000 1.75 5/8 9/16
ABX-T1-12 .2497 1.000 1.75 3/4 9/16

AI Precision Search

×

Try: "2mm bore", "spur gear", "stainless steel shafting"