| Mounting Flanges- Triangle or Round, Inch  | 
 | 
| Add R for round or T for triangle to end of p/n | |
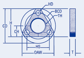
| Part | Thread | Material | Screw Size | Height | Bolt Circle Diameter | Clearance Diameter | Center Height | Hole Spacing | Over All Width | Thickness | Hole Diameter | |
|---|---|---|---|---|---|---|---|---|---|---|---|---|
| Buy | View | Lightweight Structural Plastic | #10 | 1.98/.208 | ||||||||
| MAH-B1-1 | 5/8-18 | Lightweight Structural Plastic | #10 | 1.219 | 1.125 | 1.500 | .47 | .974 | 1.41 | .250 | 1.98/.208 | |
| MAH-B1-2 | 15/16-16 | Lightweight Structural Plastic | #10 | 1.406 | 1.375 | 1.750 | .53 | 1.191 | 1.62 | .375 | 1.98/.208 | |