Gear Hubs - Nordex, Inc.
    • 800-243-0986 (US) or 203-775-4877 (INTL)
    • Live chat
    • Request a Catalog
    • Language
      • Chinese (Simplified) Chinese (Simplified)Chinese (Traditional) Chinese (Traditional)Dutch DutchEnglish EnglishFrench FrenchGerman GermanGreek GreekHebrew HebrewItalian ItalianPortuguese PortugueseSpanish Spanish
    • Request a Quote
    • Follow us on LinkedIn
    • Careers
    Nordex, Inc.
    Menu
    ☰

    • Products
      • Shafts and Shaft Related Components
      • Belts, Flanges, Pulleys, and Pulley Stock
      • Sprockets, Chain, and Connecting Links
      • Bearings, Bushings, Idlers, and Balls
      • Gears, Racks, and Worm Wheels
      • Worms and Worm Shafts
      • Fasteners, Hardware, and Assembly Tools
      • Gearboxes, Speed Reducers and Drives
      • Couplings, Clutches, Cams, Brakes and Universal Joints
      • Component mounting Accessories
      • Linear Motion
      • Leadscrews and Nuts
      • Positioning Stages and Slides
    • Custom Components
        • Machining

          Custom Machining Solutions

          Nordex has a fully-equipped machine shop, with an experienced staff ready to take on your toughest, custom machining jobs.

          Read More

          Engineering & Design

          World-class Engineering

          We have an experienced, visionary and energetic group of engineers who assist customers in the development of new products and processes, refinement of existing products and processes.

          Read More

          Quality

          Premiere Quality

          At Nordex we strive for perfection; with a quality system in place for verifying and maintaining a desired level of quality.

          Read More

          Gearing

          Gears for every application

          Nordex gears are all around you... they are used in many household items, office equipment, medical and dental equipment etc.

          Read More

          Testing

          Complete Quality Testing

          At Nordex, Quality control testing is performed to maintain a high control measurements in the development lab standard of Quality.

          Read More

          Product Capabilities

          Unparalleled Ability

          Our experienced Engineering staff coupled with our skilled manufacturing technicians will partner with you to determine the best possible method do produce your product.

          Read More
    • Search
        • Find what you are looking for

          Use our search system to locate a part in our catalog, or enter a competitor's part number for a cross-reference search.

          Search our Products

          Cross-Reference

    • Home
    • About
      • About Nordex, Inc.
      • Order Catalog
      • Distributors
      • Harlen Industrial
      • Links
      • History of Gears
      • Terms and Conditions
      • AS9100D and ISO9001:2015 Certificate
      • Nordex’s COVID-19 Response
      • NORDEX PROFILE IN GEAR SOLUTIONS MAGAZINE
    • What's Up
    • Login
    • Contact

    Nordex.com

    Search our Products:
    • Shafts & Shaft Related Products
      • Potentiometer Shaft Locks
      • Shaft Adapters
      • Pinion Shafts
      • Shaft Support Rail
      • Shaft Seals
      • Shafting
        • Shafting Inch
        • Shafting Metric
      • Shaft Hanger
      • Shaft End Supporter
    • Belts, Flanges, Pulleys & Pulley Stock
      • Belts
        • Timing Belts
          • Timing Belts Inch
          • Timing Belts Metric
        • Drive Belts
      • Flanges
        • Inch Flanges
        • Metric Flanges
      • Pulleys 
        • Timing Belt Pulleys Inch
          • Timing Belt Pulley .080 Pitch
          • Timing Belt 1/5 Pitch
          • Timing Belt Pulley 3/8 Pitch
          • Timing Belt 32 Pitch
        • Timing Belt Pulley Metric
          • Timing Belt,2mm Pitch PowerGrip
          • Timing Belt,3mm Pitch PowerGrip & standard
          • Timing Belt,5mm Pitch PowerGrip
          • Timing Belt,5mm Pitch,Standard
        • Drive Pulleys
          • Round belt, Cluster and Idler Pulleys
        • Timing Belt Pulleys Nylon Series
          • Timing Belt Pulleys Inch
          • Timing Belt Pulleys Metric 
      • Pulley Stock
        • Metric Pitch Pulley Stock
        • Inch Pitch Pulley Stock
    • Bearings, Bushings, Idlers and Balls
      • Bearings, idlers and bushings
        • Ball Bearings
          • Ball, Unflanged, Inch
          • Ball, Flanged, Inch
          • Ball, Flanged, Metric Size
          • Ball, Unflanged, Metric Size
          • Ball, Extended Inner Race
          • Plastic Ball Bearings
          • Thin Series Bearings
            • Thin Series Bearings - Metric
            • Thin Series Bearings - Inch
        • Idlers
        • Oil-Impregnated Bronze Bearings
          • Commercial Quality
          • Precision Quality
          • Oil-Impregnated Bronze Pressbearings
        • Teflon
        • Thrust Bearing Inch and Metric
        • Linear Bearings
        • Linear, Low Clearance Bushing
        • Linear-Rotary Ball Bushing/sleeve bushing
        • Needle Roller Bearings
        • Rod Ends
      • Balls, Precision
    • Gears, racks and worm wheels
      • Anti-Backlash Gears
        • Inch, Anti-Backlash Gears
        • Metric, Anti-Backlash Gears
      • Cluster Hub Gear
        • 32 Pitch-120 Pitch-1/8 Bore
        • 32 To 120 Pitch-3/16 Bore
        • 24 Pitch To 120 Pitch-1/4 Bore
      • Differential End Gears & Differentials
      • Gear Blanks
      • Helical Gears
      • Internal Gears
      • Miter And Bevel Gears
        • 48 Pitch Miter and Bevel Gears
        • 64 Pitch Miter and Bevel Gears
        • 72 Pitch Miter and Bevel Gears
        • Metric Miter and Bevel Gears
      • Pinion Wire
      • Rachets And Pawls
      • Racks, Fine Pitch
        • Inch Racks, Fine Pitch
        • Metric Racks, Fine Pitch
      • Spur Gears - Inch
        • 20 Pitch Spur Gear
        • 24 Pitch Spur Gear
        • 32 Pitch Spur Gear
        • 48 Pitch Spur Gear
        • 64 Pitch Spur Gear
        • 72 Pitch Spur Gear
        • 80 Pitch Spur Gear
        • 96 Pitch Spur Gear
        • 120 Pitch Spur Gear
        • 1/10 Circular Spur Gear
      • Spur Gears - Metric
        • Metric Pin Hub Spur Gear
        • Metric Hubless Spur Gear
        • Metric Split Hub Spur Gear
      • Worm Wheels
        • Inch Worm Wheels
        • Metric Worm Wheels
    • Worms & Worm Shafts
      • Inch Worms & Worm Shafts
      • Metric Worms
    • Sprockets, Chain, and Connecting Links
      • Sprockets
    • Fasteners, Hardware, Assembly tools
      • Collars-Shaft
      • Fastener Assortment Kits
      • Heel Pins, Adjustable
      • Keys-Square,Machine - Woodruff
      • Nuts
        • Inch Nuts
        • Metric Nuts
      • "O" Rings
      • Pins
        • Dowel Pins, Inch
        • Dowel Pins, Metric
      • Post
      • Plungers
      • Retaining Rings
      • Screws
        • Captive
        • Machine
          • Machine Screws - Phillips Head
        • Set
        • Shoulder
        • Socket
        • Thumb Screws
      • Screw Thread Insert
      • Spacers
      • Springs
        • Wave Springs
      • Springs Post
      • Stand-Offs
      • Studs
      • Threaded Stock
      • Washers
        • Inch Washers
        • Metric Washers
      • Assembly Tools
    • Couplings, clutches, cams, brakes, universal joints
      • Couplings
        • Bellows, Chain, Multi Jaw, Anti-Backlash
        • Oldham, Slip Coupling and Wafer Spring 
        • Torque Tube and Variable Durometer
        • Zero Adjustment Coupling and Overrunning
        • Flexible Couplings, precision sleeve -coaxial
        • Universal Lateral
      • Clutches
        • Inline, One Way & Wafer
        • Magnetic, Miniature & Roller
        • Slip & Spring
      • Brakes
      • Universal Joints
      • Cam Assembly & Cam Followers
    • Gearboxes, speed reducers and drives
      • Worm & Wheel Boxes
      • Speed Reducers
      • Gear Boxes
      • Geneva Mechanism
      • Intermittent Motion Assemblies
      • Right Angle Drives - Molded
      • Worm Gear Speed Reducers - Molded
    • Component mounting accessories
      • Bearing, Housing
      • Clamps
      • Cleats
      • Cranks
      • Dials
      • Gear Hubs
      • Knobs
      • Housing. Linear
        • Clearance Adjustable, Compact & Double Wide
        • Block, Open Block & Pillow Block
      • Jig Parts
      • Handles, Chassis
      • Pillow Blocks
      • Support Rails
    • Leadscrews and nuts
      • Nut Mounting Flanges
      • Rolled Acme Lead Screw
      • Plain Style, Acme and Anti-backlash Lead Screw Nuts
    • Linear motion (see bearing for Linear bearings)
      • Ball Spline & Spline Shaft with Mated Bushing
      • Linear Translation Stages
        • Single Axis
        • Two Axis
        • Three Axis
        • 25mm to 4" Travel and the Longer Mounting Style
      • Linear Stage
      • Crossed roller slide assemblies
      • Guide Wheel, Track and accessories
    • Positioning stages and slides
      • Adjustment Drives For Stages
      • Ball,Crossed Roller Slides & Slide Guides
        • Ball & Crossed Roller Slides & Slide Tables
        • Slide Guide
      • Rotary Translation Stages
      • Stages
      • High Precision crossed roller slides
    Part Number Cross Reference

    Contact Nordex

    Nordex, Inc.
    Address: 426 Federal Road
    PO Box: PO Box 5073
    City: Brookfield, CT 06804
    Phone: (800) 243-0986
    Phone: (203) 775-4877
    Fax: (203) 775-6552
    Nordex Emails
    Sales: sales@nordex.com
    Accounts Receivable: ar@nordex.com
    Accounts Payable: apdept@nordex.com
    Engineering: eng@nordex.com
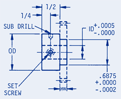
    Component mounting accessories > Gear Hubs

    Gear Hubs


    Duplex Gear Hubs Type BNS-A1

    Duplex Gear Hubs Type BNS-A2

    Gear Hubs Pin Hub

    Gear Hubs Split Hub

    Gear Hubs Pin Lock Nut Type

    Gear Hubs Split Lock Nut Type

    Gear Hubs Pin Type Press Fit

    Gear Hubs Split Press Fit Type

    Contact Nordex

    Nordex, Inc.
    Address: 426 Federal Road
    PO Box: PO Box 5073
    City: Brookfield, CT 06804
    Phone: (800) 243-0986
    Phone: (203) 775-4877
    Fax: (203) 775-6552
    Nordex Emails
    Sales: sales@nordex.com
    Accounts Receivable: ar@nordex.com
    Accounts Payable: apdept@nordex.com
    Engineering: eng@nordex.com

    (800) 243-0986

    Support - Sales

    Support - Sales

    Over 32,393 products

    Call Us

    Live Chat

    Email Us

    View our Catalog

    Nordex.com

    • HOME
    • PRODUCTS
    • SEARCH
    • ABOUT
    • NEWS
    • LOGIN
    • CONTACT

    (800) 243-0986 | In CT (203) 775-4877 | © 2005 - 2024 Nordex, Inc. All Rights Reserved.