| Miter & bevel Gear-Pin Hub-Broken sets-48 Pitch  | 
 | 
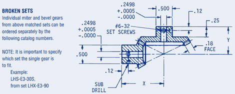
| NOTE: THIS IS A SPLIT SET - ONLY ONE GEAR WILL BE SUPPLIED. For a matched set remove S from the p/n. For -30S specify what set this will be used with. Aluminum gears anodized before gear cutting. | |
| Part | Number of Teeth | Pitch Diameter | Material | |
|---|---|---|---|---|
| Buy | View | |||
| LHA-E3-30S | 30 | .625 | 2024-T4 Aluminum | |
| LHA-E3-45S | 45 | .937 | 2024-T4 Aluminum | |
| LHA-E3-60S | 60 | 1.250 | 2024-T4 Aluminum | |
| LHA-E3-90S | 90 | 1.875 | 2024-T4 Aluminum | |
| LHA-E3-120S | 120 | 2.500 | 2024-T4 Aluminum | |
| LHS-E3-30S | 30 | .625 | 303 Stainless Steel | |
| LHS-E3-45S | 45 | .937 | 303 Stainless Steel | |
| LHS-E3-60S | 60 | 1.250 | 303 Stainless Steel | |
| LHS-E3-90S | 90 | 1.875 | 303 Stainless Steel | |
| LHS-E3-120S | 120 | 2.500 | 303 Stainless Steel | |