| 
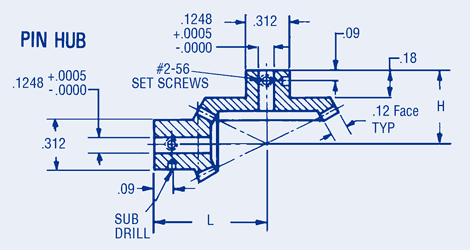
                Miter and Bevel Gears 72 Pitch Pin Hub .12 Face, .1248 Bore  | 
         
					PD1       = Pitch Diameter Smallest Gear  PD2       = Pitch Diameter Largest Gear   T1        = Number of Teeth Smallest Gear T2        = Number of Teeth Largest Gear  R= RatioL         = Length to Center              H         = Height to Center               
                
             | 
		| 20 degree pressure angle.  AGMA Quality 10.  Matched sets.  Material: 303 stainless steel/2024-T4 Aluminum anodized before gear cutting.  LHX smallest gear stainless steel largest gear Aluminum.
LHS both gear stainless steel.  LHA both gears aluminum. | 
	
    
                    - PD1       = Pitch Diameter Smallest Gear  
- PD2       = Pitch Diameter Largest Gear   
- T1        = Number of Teeth Smallest Gear 
- T2        = Number of Teeth Largest Gear  
- R= Ratio
- L         = Length to Center              
- H         = Height to Center