| 
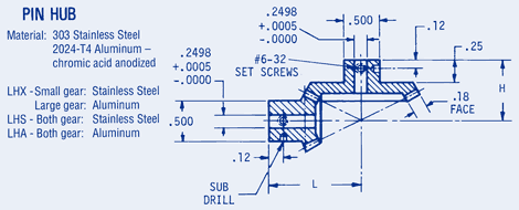
                Miter and Bevel Gears 48 Pitch Pin Hub .18 Face, .2498 Bore  | 
         
					PD1       = Pitch Diameter Smallest Gear  PD2       = Pitch Diameter Largest Gear   T1        = Number of Teeth Smallest Gear T2        = Number of Teeth Largest Gear  R= RatioL         = Length to Center              H         = Height to Center               
                
             | 
		| 20 degree pressure angle.  AGMA quality 10.  Matched sets. | 
	
    
                    - PD1       = Pitch Diameter Smallest Gear  
- PD2       = Pitch Diameter Largest Gear   
- T1        = Number of Teeth Smallest Gear 
- T2        = Number of Teeth Largest Gear  
- R= Ratio
- L         = Length to Center              
- H         = Height to Center