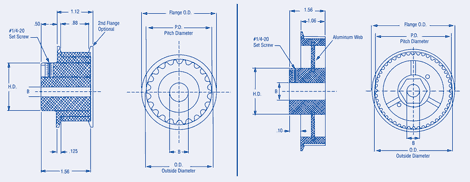
| Timing Belt Pulleys - Nylon Series 8mm Pitch  |  | 
| Material: Glass reinforced Nylon with a Metal Hub NOTE: Tapped hole and set screw supplied on request- MUST specify at time of order. | |
| Part | |
|---|---|
| Buy | View |