| Timing Belt Pulleys - Nylon Series 5mm Pitch GT  | 
 | 
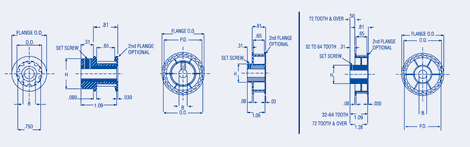
| Material: Glass Reinforced Nylon with Metal Hub NOTE: Tapped hole and set screw supplied on request- MUST specify at time of order. | |
| Part | Teeth | Pitch Diameter | Outside Diameter | Flange Diameter | Hub Diameter | Bore | Type - Figure | Flange | |
|---|---|---|---|---|---|---|---|---|---|
| Buy | View | ||||||||
| FZX-J1-18DF | 18 | 1.128 | 1.083 | 1.25 | 1.25 | 1/4 | 1 | Double | |
| FZX-J1-18SF | 18 | 1.128 | 1.083 | 1.25 | 1.25 | 1/4 | 1 | Single | |
| FZX-J1-19DF | 19 | 1.191 | 1.146 | 1.32 | 1.25 | 1/4 | 1 | Double | |
| FZX-J1-19SF | 19 | 1.191 | 1.146 | 1.32 | 1.25 | 1/4 | 1 | Single | |
| FZX-J1-20DF | 20 | 1.253 | 1.208 | 1.37 | 1.25 | 1/4 | 1 | Double | |
| FZX-J1-20SF | 20 | 1.253 | 1.208 | 1.37 | 1.25 | 1/4 | 1 | Single | |
| FZX-J1-22DF | 22 | 1.379 | 1.334 | 1.50 | 1.25 | 1/4 | 1 | Double | |
| FZX-J1-22SF | 22 | 1.379 | 1.334 | 1.50 | 1.25 | 1/4 | 1 | Single | |
| FZX-J1-24DF | 24 | 1.504 | 1.459 | 1.61 | 1.25 | 1/4 | 1 | Double | |
| FZX-J1-24SF | 24 | 1.504 | 1.459 | 1.61 | 1.25 | 1/4 | 1 | Single | |
| FZX-J1-28DF | 28 | 1.754 | 1.709 | 1.87 | 1.25 | 1/4 | 2 | Double | |
| FZX-J1-28SF | 28 | 1.754 | 1.709 | 1.87 | 1.25 | 1/4 | 2 | Single | |
| FZX-J1-30DF | 30 | 1.880 | 1.835 | 2.00 | 1.25 | 1/4 | 2 | Double | |
| FZX-J1-30SF | 30 | 1.880 | 1.835 | 2.00 | 1.25 | 1/4 | 2 | Single | |
| FZX-J1-32DF | 32 | 2.005 | 1.960 | 2.12 | 1.25 | 1/4 | 3 | Double | |
| FZX-J1-32SF | 32 | 2.005 | 1.960 | 2.12 | 1.25 | 1/4 | 3 | Single | |
| FZX-J1-36DF | 36 | 2.256 | 2.211 | 2.41 | 1.25 | 1/4 | 3 | Double | |
| FZX-J1-36SF | 36 | 2.256 | 2.211 | 2.41 | 1.25 | 1/4 | 3 | Single | |
| FZX-J1-38DF | 38 | 2.381 | 2.336 | 2.54 | 1.25 | 1/4 | 3 | Double | |
| FZX-J1-38SF | 38 | 2.381 | 2.336 | 2.54 | 1.25 | 1/4 | 3 | Single | |
| FZX-J1-40DF | 40 | 2.506 | 2.461 | 2.71 | 1.25 | 1/4 | 3 | Double | |
| FZX-J1-40SF | 40 | 2.506 | 2.461 | 2.71 | 1.25 | 1/4 | 3 | Single | |
| FZX-J1-42DF | 42 | 2.632 | 2.587 | 2.79 | 1.25 | 1/4 | 3 | Double | |
| FZX-J1-42SF | 42 | 2.632 | 2.587 | 2.79 | 1.25 | 1/4 | 3 | Single | |
| FZX-J1-44DF | 44 | 2.757 | 2.712 | 2.91 | 1.25 | 1/4 | 3 | Double | |
| FZX-J1-44SF | 44 | 2.757 | 2.712 | 2.91 | 1.25 | 1/4 | 3 | Single | |
| FZX-J1-48DF | 48 | 3.008 | 2.963 | 3.13 | 1.25 | 1/4 | 3 | Double | |
| FZX-J1-48SF | 48 | 3.008 | 2.963 | 3.13 | 1.25 | 1/4 | 3 | Single | |
| FZX-J1-50DF | 50 | 3.133 | 3.088 | 3.26 | 1.25 | 1/4 | 3 | Double | |
| FZX-J1-50SF | 50 | 3.133 | 3.088 | 3.26 | 1.25 | 1/4 | 3 | Single | |
| FZX-J1-56DF | 56 | 3.509 | 3.464 | 3.63 | 1.25 | 1/4 | 3 | Double | |
| FZX-J1-56SF | 56 | 3.509 | 3.464 | 3.63 | 1.25 | 1/4 | 3 | Single | |
| FZX-J1-60DF | 60 | 3.760 | 3.715 | 3.89 | 1.25 | 1/4 | 3 | Double | |
| FZX-J1-60SF | 60 | 3.760 | 3.715 | 3.89 | 1.25 | 1/4 | 3 | Single | |
| FZX-J1-62DF | 62 | 3.885 | 3.840 | 4.10 | 1.25 | 1/4 | 3 | Double | |
| FZX-J1-62SF | 62 | 3.885 | 3.840 | 4.10 | 1.25 | 1/4 | 3 | Single | |
| FZX-J1-64SF | 64 | 4.010 | 3.965 | 4.13 | 1.25 | 1/4 | 3 | Single | |
| FZX-J1-72SF | 72 | 4.511 | 4.466 | 4.67 | 1.25 | 1/4 | 3 | Single | |
| FZX-J1-80SF | 80 | 5.013 | 4.968 | 5.19 | 1.81 | 1/4 | 3 | Single | |
| FZX-J2-18DF | 18 | 1.128 | 1.083 | 1.25 | 1.25 | 5/16 | 1 | Double | |
| FZX-J2-18SF | 18 | 1.128 | 1.083 | 1.25 | 1.25 | 5/16 | 1 | Single | |
| FZX-J2-19DF | 19 | 1.191 | 1.146 | 1.32 | 1.25 | 5/16 | 1 | Double | |
| FZX-J2-19SF | 19 | 1.191 | 1.146 | 1.32 | 1.25 | 5/16 | 1 | Single | |
| FZX-J2-20DF | 20 | 1.253 | 1.208 | 1.37 | 1.25 | 5/16 | 1 | Double | |
| FZX-J2-20SF | 20 | 1.253 | 1.208 | 1.37 | 1.25 | 5/16 | 1 | Single | |
| FZX-J2-22DF | 22 | 1.379 | 1.334 | 1.50 | 1.25 | 5/16 | 1 | Double | |
| FZX-J2-22SF | 22 | 1.379 | 1.334 | 1.50 | 1.25 | 5/16 | 1 | Single | |
| FZX-J2-24DF | 24 | 1.504 | 1.459 | 1.61 | 1.25 | 5/16 | 1 | Double | |
| FZX-J2-24SF | 24 | 1.504 | 1.459 | 1.61 | 1.25 | 5/16 | 1 | Single | |
| FZX-J2-28DF | 28 | 1.754 | 1.709 | 1.87 | 1.25 | 5/16 | 2 | Double | |
| FZX-J2-28SF | 28 | 1.754 | 1.709 | 1.87 | 1.25 | 5/16 | 2 | Single | |
| FZX-J2-30DF | 30 | 1.880 | 1.835 | 2.00 | 1.25 | 5/16 | 2 | Double | |
| FZX-J2-30SF | 30 | 1.880 | 1.835 | 2.00 | 1.25 | 5/16 | 2 | Single | |
| FZX-J2-32DF | 32 | 2.005 | 1.960 | 2.12 | 1.25 | 5/16 | 3 | Double | |
| FZX-J2-32SF | 32 | 2.005 | 1.960 | 2.12 | 1.25 | 5/16 | 3 | Single | |
| FZX-J2-36DF | 36 | 2.256 | 2.211 | 2.41 | 1.25 | 5/16 | 3 | Double | |
| FZX-J2-36SF | 36 | 2.256 | 2.211 | 2.41 | 1.25 | 5/16 | 3 | Single | |
| FZX-J2-38DF | 38 | 2.381 | 2.336 | 2.54 | 1.25 | 5/16 | 3 | Double | |
| FZX-J2-38SF | 38 | 2.381 | 2.336 | 2.54 | 1.25 | 5/16 | 3 | Single | |
| FZX-J2-40DF | 40 | 2.506 | 2.461 | 2.71 | 1.25 | 5/16 | 3 | Double | |
| FZX-J2-40SF | 40 | 2.506 | 2.461 | 2.71 | 1.25 | 5/16 | 3 | Single | |
| FZX-J2-42DF | 42 | 2.632 | 2.587 | 2.79 | 1.25 | 5/16 | 3 | Double | |
| FZX-J2-42SF | 42 | 2.632 | 2.587 | 2.79 | 1.25 | 5/16 | 3 | Single | |
| FZX-J2-44DF | 44 | 2.757 | 2.712 | 2.91 | 1.25 | 5/16 | 3 | Double | |
| FZX-J2-44SF | 44 | 2.757 | 2.712 | 2.91 | 1.25 | 5/16 | 3 | Single | |
| FZX-J2-48DF | 48 | 3.008 | 2.963 | 3.13 | 1.25 | 5/16 | 3 | Double | |
| FZX-J2-48SF | 48 | 3.008 | 2.963 | 3.13 | 1.25 | 5/16 | 3 | Single | |
| FZX-J2-50DF | 50 | 3.133 | 3.088 | 3.26 | 1.25 | 5/16 | 3 | Double | |
| FZX-J2-50SF | 50 | 3.133 | 3.088 | 3.26 | 1.25 | 5/16 | 3 | Single | |
| FZX-J2-56DF | 56 | 3.509 | 3.464 | 3.63 | 1.25 | 5/16 | 3 | Double | |
| FZX-J2-56SF | 56 | 3.509 | 3.464 | 3.63 | 1.25 | 5/16 | 3 | Single | |
| FZX-J2-60DF | 60 | 3.760 | 3.715 | 3.89 | 1.25 | 5/16 | 3 | Double | |
| FZX-J2-60SF | 60 | 3.760 | 3.715 | 3.89 | 1.25 | 5/16 | 3 | Single | |
| FZX-J2-62DF | 62 | 3.885 | 3.840 | 3.89 | 1.25 | 5/16 | 3 | Double | |
| FZX-J2-62SF | 62 | 3.885 | 3.840 | 4.10 | 1.25 | 5/16 | 3 | Single | |
| FZX-J2-64SF | 64 | 4.010 | 3.965 | 4.13 | 1.25 | 5/16 | 3 | Single | |
| FZX-J2-72SF | 72 | 4.511 | 4.466 | 4.67 | 1.25 | 5/16 | 3 | Single | |
| FZX-J2-80SF | 80 | 5.013 | 4.968 | 5.19 | 1.81 | 5/16 | 3 | Single | |
| FZX-J3-18DF | 18 | 1.128 | 1.083 | 1.25 | 1.25 | 3/8 | 1 | Double | |
| FZX-J3-18SF | 18 | 1.128 | 1.083 | 1.25 | 1.25 | 3/8 | 1 | Single | |
| FZX-J3-19DF | 19 | 1.191 | 1.146 | 1.32 | 1.25 | 3/8 | 1 | Double | |
| FZX-J3-19SF | 19 | 1.191 | 1.146 | 1.32 | 1.25 | 3/8 | 1 | Single | |
| FZX-J3-20DF | 20 | 1.253 | 1.208 | 1.37 | 1.25 | 3/8 | 1 | Double | |
| FZX-J3-20SF | 20 | 1.253 | 1.208 | 1.37 | 1.25 | 3/8 | 1 | Single | |
| FZX-J3-22DF | 22 | 1.379 | 1.334 | 1.50 | 1.25 | 3/8 | 1 | Double | |
| FZX-J3-22SF | 22 | 1.379 | 1.334 | 1.50 | 1.25 | 3/8 | 1 | Single | |
| FZX-J3-24DF | 24 | 1.504 | 1.459 | 1.61 | 1.25 | 3/8 | 1 | Double | |
| FZX-J3-24SF | 24 | 1.504 | 1.459 | 1.61 | 1.25 | 3/8 | 1 | Single | |
| FZX-J3-28DF | 28 | 1.754 | 1.709 | 1.87 | 1.25 | 3/8 | 2 | Double | |
| FZX-J3-28SF | 28 | 1.754 | 1.709 | 1.87 | 1.25 | 3/8 | 2 | Single | |
| FZX-J3-30DF | 30 | 1.880 | 1.835 | 2.00 | 1.25 | 3/8 | 2 | Double | |
| FZX-J3-30SF | 30 | 1.880 | 1.835 | 2.00 | 1.25 | 3/8 | 2 | Single | |
| FZX-J3-32DF | 32 | 2.005 | 1.960 | 2.12 | 1.25 | 3/8 | 3 | Double | |
| FZX-J3-32SF | 32 | 2.005 | 1.960 | 2.12 | 1.25 | 3/8 | 3 | Single | |
| FZX-J3-36DF | 36 | 2.256 | 2.211 | 2.41 | 1.25 | 3/8 | 3 | Double | |
| FZX-J3-36SF | 36 | 2.256 | 2.211 | 2.41 | 1.25 | 3/8 | 3 | Single | |
| FZX-J3-38DF | 38 | 2.381 | 2.336 | 2.54 | 1.25 | 3/8 | 3 | Double | |
| FZX-J3-38SF | 38 | 2.381 | 2.336 | 2.54 | 1.25 | 3/8 | 3 | Single | |
| FZX-J3-40DF | 40 | 2.506 | 2.461 | 2.71 | 1.25 | 3/8 | 3 | Double | |
| FZX-J3-40SF | 40 | 2.506 | 2.461 | 2.71 | 1.25 | 3/8 | 3 | Single | |
| FZX-J3-42DF | 42 | 2.632 | 2.587 | 2.79 | 1.25 | 3/8 | 3 | Double | |
| FZX-J3-42SF | 42 | 2.632 | 2.587 | 2.79 | 1.25 | 3/8 | 3 | Single | |
| FZX-J3-44DF | 44 | 2.757 | 2.712 | 2.91 | 1.25 | 3/8 | 3 | Double | |
| FZX-J3-44SF | 44 | 2.757 | 2.712 | 2.91 | 1.25 | 3/8 | 3 | Single | |
| FZX-J3-48DF | 48 | 3.008 | 2.963 | 3.13 | 1.25 | 3/8 | 3 | Double | |
| FZX-J3-48SF | 48 | 3.008 | 2.963 | 3.13 | 1.25 | 3/8 | 3 | Single | |
| FZX-J3-50DF | 50 | 3.133 | 3.088 | 3.26 | 1.25 | 3/8 | 3 | Double | |
| FZX-J3-50SF | 50 | 3.133 | 3.088 | 3.26 | 1.25 | 3/8 | 3 | Single | |
| FZX-J3-56DF | 56 | 3.509 | 3.464 | 3.63 | 1.25 | 3/8 | 3 | Double | |
| FZX-J3-56SF | 56 | 3.509 | 3.464 | 3.63 | 1.25 | 3/8 | 3 | Single | |
| FZX-J3-60DF | 60 | 3.760 | 3.715 | 3.89 | 1.25 | 3/8 | 3 | Double | |
| FZX-J3-60SF | 60 | 3.760 | 3.715 | 3.89 | 1.25 | 3/8 | 3 | Single | |
| FZX-J3-62DF | 62 | 3.885 | 3.840 | 4.10 | 1.25 | 3/8 | 3 | Double | |
| FZX-J3-62SF | 62 | 3.885 | 3.840 | 4.10 | 1.25 | 3/8 | 3 | Single | |
| FZX-J3-64SF | 64 | 4.010 | 3.965 | 4.13 | 1.25 | 3/8 | 3 | Single | |
| FZX-J3-72SF | 72 | 4.511 | 4.466 | 4.67 | 1.25 | 3/8 | 3 | Single | |
| FZX-J3-80SF | 80 | 5.013 | 4.968 | 5.19 | 1.81 | 3/8 | 3 | Single | |
| FZX-J4-18DF | 18 | 1.128 | 1.083 | 1.25 | 1.25 | 1/2 | 1 | Double | |
| FZX-J4-18SF | 18 | 1.128 | 1.083 | 1.25 | 1.25 | 1/2 | 1 | Single | |
| FZX-J4-19DF | 19 | 1.191 | 1.146 | 1.32 | 1.25 | 1/2 | 1 | Double | |
| FZX-J4-19SF | 19 | 1.191 | 1.146 | 1.32 | 1.25 | 1/2 | 1 | Single | |
| FZX-J4-20DF | 20 | 1.253 | 1.208 | 1.37 | 1.25 | 1/2 | 1 | Double | |
| FZX-J4-20SF | 20 | 1.253 | 1.208 | 1.37 | 1.25 | 1/2 | 1 | Single | |
| FZX-J4-22DF | 22 | 1.379 | 1.334 | 1.50 | 1.25 | 1/2 | 1 | Double | |
| FZX-J4-22SF | 22 | 1.379 | 1.334 | 1.50 | 1.25 | 1/2 | 1 | Single | |
| FZX-J4-24DF | 24 | 1.504 | 1.459 | 1.61 | 1.25 | 1/2 | 1 | Double | |
| FZX-J4-24SF | 24 | 1.504 | 1.459 | 1.61 | 1.25 | 1/2 | 1 | Single | |
| FZX-J4-28DF | 28 | 1.754 | 1.709 | 1.87 | 1.25 | 1/2 | 2 | Double | |
| FZX-J4-28SF | 28 | 1.754 | 1.709 | 1.87 | 1.25 | 1/2 | 2 | Single | |
| FZX-J4-30DF | 30 | 1.880 | 1.835 | 2.00 | 1.25 | 1/2 | 2 | Double | |
| FZX-J4-30SF | 30 | 1.880 | 1.835 | 2.00 | 1.25 | 1/2 | 2 | Single | |
| FZX-J4-32DF | 32 | 2.005 | 1.960 | 2.12 | 1.25 | 1/2 | 3 | Double | |
| FZX-J4-32SF | 32 | 2.005 | 1.960 | 2.12 | 1.25 | 1/2 | 3 | Single | |
| FZX-J4-36DF | 36 | 2.256 | 2.211 | 2.41 | 1.25 | 1/2 | 3 | Double | |
| FZX-J4-36SF | 36 | 2.256 | 2.211 | 2.41 | 1.25 | 1/2 | 3 | Single | |
| FZX-J4-38DF | 38 | 2.381 | 2.336 | 2.54 | 1.25 | 1/2 | 3 | Double | |
| FZX-J4-38SF | 38 | 2.381 | 2.336 | 2.54 | 1.25 | 1/2 | 3 | Single | |
| FZX-J4-40DF | 40 | 2.506 | 2.461 | 2.71 | 1.25 | 1/2 | 3 | Double | |
| FZX-J4-40SF | 40 | 2.506 | 2.461 | 2.71 | 1.25 | 1/2 | 3 | Single | |
| FZX-J4-42DF | 42 | 2.632 | 2.587 | 2.79 | 1.25 | 1/2 | 3 | Double | |
| FZX-J4-42SF | 42 | 2.632 | 2.587 | 2.79 | 1.25 | 1/2 | 3 | Single | |
| FZX-J4-44DF | 44 | 2.757 | 2.712 | 2.91 | 1.25 | 1/2 | 3 | Double | |
| FZX-J4-44SF | 44 | 2.757 | 2.712 | 2.91 | 1.25 | 1/2 | 3 | Single | |
| FZX-J4-48DF | 48 | 3.008 | 2.963 | 3.13 | 1.25 | 1/2 | 3 | Double | |
| FZX-J4-48SF | 48 | 3.008 | 2.963 | 3.13 | 1.25 | 1/2 | 3 | Single | |
| FZX-J4-50DF | 50 | 3.133 | 3.088 | 3.26 | 1.25 | 1/2 | 3 | Double | |
| FZX-J4-50SF | 50 | 3.133 | 3.088 | 3.26 | 1.25 | 1/2 | 3 | Single | |
| FZX-J4-56DF | 56 | 3.509 | 3.464 | 3.63 | 1.25 | 1/2 | 3 | Double | |
| FZX-J4-56SF | 56 | 3.509 | 3.464 | 3.63 | 1.25 | 1/2 | 3 | Single | |
| FZX-J4-60DF | 60 | 3.760 | 3.715 | 3.89 | 1.25 | 1/2 | 3 | Double | |
| FZX-J4-60SF | 60 | 3.760 | 3.715 | 3.89 | 1.25 | 1/2 | 3 | Single | |
| FZX-J4-62DF | 62 | 3.885 | 3.840 | 4.10 | 1.25 | 1/2 | 3 | Double | |
| FZX-J4-62SF | 62 | 3.885 | 3.840 | 4.10 | 1.25 | 1/2 | 3 | Single | |
| FZX-J4-64SF | 64 | 4.010 | 3.965 | 4.13 | 1.25 | 1/2 | 3 | Single | |
| FZX-J4-72SF | 72 | 4.511 | 4.466 | 4.67 | 1.25 | 1/2 | 3 | Single | |
| FZX-J4-80SF | 80 | 5.013 | 4.968 | 5.19 | 1.81 | 1/2 | 3 | Single | |
| FZX-J4-90SF | 90 | 5.639 | 5.594 | 5.81 | 2.00 | 1/2 | 3 | Single | |
| FZX-J5-20DF | 20 | 1.253 | 1.208 | 1.37 | 1.25 | 5/8 | 1 | Double | |
| FZX-J5-20SF | 20 | 1.253 | 1.208 | 1.37 | 1.25 | 5/8 | 1 | Single | |
| FZX-J5-22DF | 22 | 1.379 | 1.334 | 1.50 | 1.25 | 5/8 | 1 | Double | |
| FZX-J5-22SF | 22 | 1.379 | 1.334 | 1.50 | 1.25 | 5/8 | 1 | Single | |
| FZX-J5-24DF | 24 | 1.504 | 1.459 | 1.61 | 1.25 | 5/8 | 1 | Double | |
| FZX-J5-24SF | 24 | 1.504 | 1.459 | 1.61 | 1.25 | 5/8 | 1 | Single | |
| FZX-J5-28DF | 28 | 1.754 | 1.709 | 1.87 | 1.25 | 5/8 | 2 | Double | |
| FZX-J5-28SF | 28 | 1.754 | 1.709 | 1.87 | 1.25 | 5/8 | 2 | Single | |
| FZX-J5-30DF | 30 | 1.880 | 1.835 | 2.00 | 1.25 | 5/8 | 2 | Double | |
| FZX-J5-30SF | 30 | 1.880 | 1.835 | 2.00 | 1.25 | 5/8 | 2 | Single | |
| FZX-J5-32DF | 32 | 2.005 | 1.960 | 2.12 | 1.25 | 5/8 | 3 | Double | |
| FZX-J5-32SF | 32 | 2.005 | 1.960 | 2.12 | 1.25 | 5/8 | 3 | Single | |
| FZX-J5-36DF | 36 | 2.256 | 2.211 | 2.41 | 1.25 | 5/8 | 3 | Double | |
| FZX-J5-36SF | 36 | 2.256 | 2.211 | 2.41 | 1.25 | 5/8 | 3 | Single | |
| FZX-J5-38DF | 38 | 2.381 | 2.336 | 2.54 | 1.25 | 5/8 | 3 | Double | |
| FZX-J5-38SF | 38 | 2.381 | 2.336 | 2.54 | 1.25 | 5/8 | 3 | Single | |
| FZX-J5-40DF | 40 | 2.506 | 2.461 | 2.71 | 1.25 | 5/8 | 3 | Double | |
| FZX-J5-40SF | 40 | 2.506 | 2.461 | 2.71 | 1.25 | 5/8 | 3 | Single | |
| FZX-J5-42DF | 42 | 2.632 | 2.587 | 2.79 | 1.25 | 5/8 | 3 | Double | |
| FZX-J5-42SF | 42 | 2.632 | 2.587 | 2.79 | 1.25 | 5/8 | 3 | Single | |
| FZX-J5-44DF | 44 | 2.757 | 2.712 | 2.91 | 1.25 | 5/8 | 3 | Double | |
| FZX-J5-44SF | 44 | 2.757 | 2.712 | 2.91 | 1.25 | 5/8 | 3 | Single | |
| FZX-J5-48DF | 48 | 3.008 | 2.963 | 3.13 | 1.25 | 5/8 | 3 | Double | |
| FZX-J5-48SF | 48 | 3.008 | 2.963 | 3.13 | 1.25 | 5/8 | 3 | Single | |
| FZX-J5-50DF | 50 | 3.133 | 3.088 | 3.26 | 1.25 | 5/8 | 3 | Double | |
| FZX-J5-50SF | 50 | 3.133 | 3.088 | 3.26 | 1.25 | 5/8 | 3 | Single | |
| FZX-J5-56DF | 56 | 3.509 | 3.464 | 3.63 | 1.25 | 5/8 | 3 | Double | |
| FZX-J5-56SF | 56 | 3.509 | 3.464 | 3.63 | 1.25 | 5/8 | 3 | Single | |
| FZX-J5-60DF | 60 | 3.760 | 3.715 | 3.89 | 1.25 | 5/8 | 3 | Double | |
| FZX-J5-60SF | 60 | 3.760 | 3.715 | 3.89 | 1.25 | 5/8 | 3 | Single | |
| FZX-J5-62DF | 62 | 3.885 | 3.840 | 4.10 | 1.25 | 5/8 | 3 | Double | |
| FZX-J5-62SF | 62 | 3.885 | 3.840 | 4.10 | 1.25 | 5/8 | 3 | Single | |
| FZX-J5-64SF | 64 | 4.010 | 3.965 | 4.13 | 1.25 | 5/8 | 3 | Single | |
| FZX-J5-72SF | 72 | 4.511 | 4.466 | 4.67 | 1.25 | 5/8 | 3 | Single | |
| FZX-J5-80SF | 80 | 5.013 | 4.968 | 5.19 | 1.81 | 5/8 | 3 | Single | |
| FZX-J5-90SF | 90 | 5.639 | 5.594 | 5.81 | 2.00 | 5/8 | 3 | Single | |
| FZX-J6-30DF | 30 | 1.880 | 1.835 | 2.00 | 1.25 | 3/4 | 2 | Double | |
| FZX-J6-30SF | 30 | 1.880 | 1.835 | 2.00 | 1.25 | 3/4 | 2 | Single | |
| FZX-J6-32DF | 32 | 2.005 | 1.960 | 2.12 | 1.25 | 3/4 | 3 | Double | |
| FZX-J6-32SF | 32 | 2.005 | 1.960 | 2.12 | 1.25 | 3/4 | 3 | Single | |
| FZX-J6-36DF | 36 | 2.256 | 2.211 | 2.41 | 1.25 | 3/4 | 3 | Double | |
| FZX-J6-36SF | 36 | 2.256 | 2.211 | 2.41 | 1.25 | 3/4 | 3 | Single | |
| FZX-J6-38DF | 38 | 2.381 | 2.336 | 2.54 | 1.25 | 3/4 | 3 | Double | |
| FZX-J6-38SF | 38 | 2.381 | 2.336 | 2.54 | 1.25 | 3/4 | 3 | Single | |
| FZX-J6-40DF | 40 | 2.506 | 2.461 | 2.71 | 1.25 | 3/4 | 3 | Double | |
| FZX-J6-40SF | 40 | 2.506 | 2.461 | 2.71 | 1.25 | 3/4 | 3 | Single | |
| FZX-J6-42DF | 42 | 2.632 | 2.587 | 2.79 | 1.25 | 3/4 | 3 | Double | |
| FZX-J6-42SF | 42 | 2.632 | 2.587 | 2.79 | 1.25 | 3/4 | 3 | Single | |
| FZX-J6-44DF | 44 | 2.757 | 2.712 | 2.91 | 1.25 | 3/4 | 3 | Double | |
| FZX-J6-44SF | 44 | 2.757 | 2.712 | 2.91 | 1.25 | 3/4 | 3 | Single | |
| FZX-J6-48DF | 48 | 3.008 | 2.963 | 3.13 | 1.25 | 3/4 | 3 | Double | |
| FZX-J6-48SF | 48 | 3.008 | 2.963 | 3.13 | 1.25 | 3/4 | 3 | Single | |
| FZX-J6-50DF | 50 | 3.133 | 3.088 | 3.26 | 1.25 | 3/4 | 3 | Double | |
| FZX-J6-50SF | 50 | 3.133 | 3.088 | 3.26 | 1.25 | 3/4 | 3 | Single | |
| FZX-J6-56DF | 56 | 3.509 | 3.464 | 3.63 | 1.25 | 3/4 | 3 | Double | |
| FZX-J6-56SF | 56 | 3.509 | 3.464 | 3.63 | 1.25 | 3/4 | 3 | Single | |
| FZX-J6-60DF | 60 | 3.760 | 3.715 | 3.89 | 1.25 | 3/4 | 3 | Double | |
| FZX-J6-60SF | 60 | 3.760 | 3.715 | 3.89 | 1.25 | 3/4 | 3 | Single | |
| FZX-J6-62DF | 62 | 3.885 | 3.840 | 4.10 | 1.25 | 3/4 | 3 | Double | |
| FZX-J6-62SF | 62 | 3.885 | 3.840 | 4.10 | 1.25 | 3/4 | 3 | Single | |
| FZX-J6-64SF | 64 | 4.010 | 3.965 | 4.13 | 1.25 | 3/4 | 3 | Single | |
| FZX-J6-72SF | 72 | 4.511 | 4.466 | 4.67 | 1.25 | 3/4 | 3 | Single | |
| FZX-J6-80SF | 80 | 5.013 | 4.968 | 5.19 | 1.81 | 3/4 | 3 | Single | |
| FZX-J6-90SF | 90 | 5.639 | 5.594 | 5.81 | 2.00 | 3/4 | 3 | Single | |