| Timing Belt Pulleys - Nylon Series 3mm Pitch HTD  | 
 | 
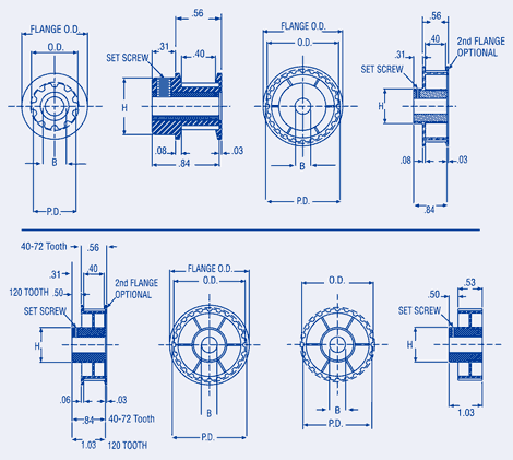
| Material: Series FZN - Glass Reinforced Nylon, Nylon Hub Series FZX - Glass Reinforced Nylon, Metal Hub NOTE: Tapped hole and set screw supplied on request- MUST specify at time of order. | |
| Part | Teeth | Pitch Diameter | Outside Diameter | Flange Diameter | Hub Diameter | Bore | Type - Figure | Flange | Hub Material | |
|---|---|---|---|---|---|---|---|---|---|---|
| Buy | View | |||||||||
| FZN-F1-14DF | 14 | .526 | .496 | .63 | .59 | 1/4 | 1 | Double Flange | Plastic Hub | |
| FZN-F1-14SF | 14 | .526 | .496 | .63 | .59 | 1/4 | 1 | Single Flange | Plastic Hub | |
| FZN-F1-15DF | 15 | .564 | .534 | .68 | .59 | 1/4 | 1 | Double Flange | Plastic Hub | |
| FZN-F1-15SF | 15 | .564 | .534 | .68 | .59 | 1/4 | 1 | Single Flange | Plastic Hub | |
| FZN-F1-16DF | 16 | .602 | .572 | .71 | .59 | 1/4 | 1 | Double Flange | Plastic Hub | |
| FZN-F1-16SF | 15 | .564 | .534 | .68 | .59 | 1/4 | 1 | Single Flange | Plastic Hub | |
| FZX-F1-18DF | 18 | .677 | .647 | .79 | .75 | 1/4 | 1 | Double Flange | Metal Hub | |
| FZX-F1-18SF | 18 | .677 | .647 | .79 | .75 | 1/4 | 1 | Single Flange | Metal Hub | |
| FZX-F1-20DF | 20 | .752 | .722 | .89 | .75 | 1/4 | 1 | Double Flange | Metal Hub | |
| FZX-F1-20SF | 20 | .752 | .722 | .89 | .75 | 1/4 | 1 | Single Flange | Metal Hub | |
| FZX-F1-22DF | 22 | .827 | .797 | .94 | .75 | 1/4 | 1 | Double Flange | Metal Hub | |
| FZX-F1-22SF | 22 | .827 | .797 | .94 | .75 | 1/4 | 1 | Single Flange | Metal Hub | |
| FZX-F1-24DF | 24 | .902 | .872 | 1.02 | .88 | 1/4 | 1 | Double Flange | Metal Hub | |
| FZX-F1-24SF | 24 | .902 | .872 | 1.02 | .88 | 1/4 | 1 | Single Flange | Metal Hub | |
| FZX-F1-28DF | 28 | 1.053 | 1.023 | 1.17 | .88 | 1/4 | 2 | Double Flange | Metal Hub | |
| FZX-F1-28SF | 28 | 1.053 | 1.023 | 1.17 | .88 | 1/4 | 2 | Single Flange | Metal Hub | |
| FZX-F1-30DF | 30 | 1.128 | 1.098 | 1.24 | .88 | 1/4 | 2 | Double Flange | Metal Hub | |
| FZX-F1-30SF | 30 | 1.128 | 1.098 | 1.24 | .88 | 1/4 | 2 | Single Flange | Metal Hub | |
| FZX-F1-32DF | 32 | 1.203 | 1.173 | 1.32 | .88 | 1/4 | 2 | Double Flange | Metal Hub | |
| FZX-F1-32SF | 32 | 1.203 | 1.173 | 1.32 | .88 | 1/4 | 2 | Single Flange | Metal Hub | |
| FZX-F1-36DF | 36 | 1.353 | 1.323 | 1.47 | .88 | 1/4 | 2 | Double Flange | Metal Hub | |
| FZX-F1-36SF | 36 | 1.353 | 1.323 | 1.47 | .88 | 1/4 | 2 | Single Flange | Metal Hub | |
| FZX-F1-40DF | 40 | 1.504 | 1.474 | 1.61 | 1.00 | 1/4 | 3 | Double Flange | Metal Hub | |
| FZX-F1-40SF | 40 | 1.504 | 1.474 | 1.61 | 1.00 | 1/4 | 3 | Single Flange | Metal Hub | |
| FZX-F1-42DF | 42 | 1.579 | 1.549 | 1.70 | 1.00 | 1/4 | 3 | Double Flange | Metal Hub | |
| FZX-F1-42SF | 42 | 1.579 | 1.549 | 1.70 | 1.00 | 1/4 | 3 | Single Flange | Metal Hub | |
| FZX-F1-48DF | 48 | 1.805 | 1.775 | 1.92 | 1.00 | 1/4 | 3 | Double Flange | Metal Hub | |
| FZX-F1-48SF | 48 | 1.805 | 1.775 | 1.92 | 1.00 | 1/4 | 3 | Single Flange | Metal Hub | |
| FZX-F1-50DF | 50 | 1.880 | 1.850 | 2.00 | 1.00 | 1/4 | 3 | Double Flange | Metal Hub | |
| FZX-F1-50SF | 50 | 1.880 | 1.850 | 2.00 | 1.00 | 1/4 | 3 | Single Flange | Metal Hub | |
| FZX-F1-60DF | 60 | 2.256 | 2.226 | 2.38 | 1.00 | 1/4 | 3 | Double Flange | Metal Hub | |
| FZX-F1-60SF | 60 | 2.256 | 2.226 | 2.38 | 1.00 | 1/4 | 3 | Single Flange | Metal Hub | |
| FZX-F1-72DF | 72 | 2.707 | 2.677 | 2.83 | 1.25 | 1/4 | 3 | Double Flange | Metal Hub | |
| FZX-F1-72SF | 72 | 2.707 | 2.677 | 2.83 | 1.25 | 1/4 | 3 | Single Flange | Metal Hub | |
| FZX-F1-120NF | 120 | 4.511 | 4.481 | 4.63 | 1.25 | 1/4 | 34 | No Flange | Metal Hub | |
| FZX-F1-120SF | 120 | 4.511 | 4.481 | 4.63 | 1.25 | 1/4 | 34 | Single Flange | Metal Hub | |
| FZX-F2-18DF | 18 | .677 | .647 | .79 | .75 | 5/16 | 1 | Double Flange | Metal Hub | |
| FZX-F2-18SF | 18 | .677 | 6.470 | .79 | .75 | 5/16 | 1 | Single Flange | Metal Hub | |
| FZX-F2-20DF | 20 | .752 | .722 | .89 | .75 | 5/16 | 1 | Double Flange | Metal Hub | |
| FZX-F2-20SF | 20 | .752 | .722 | .89 | .75 | 5/16 | 1 | Single Flange | Metal Hub | |
| FZX-F2-22DF | 22 | .827 | .797 | .94 | .75 | 5/16 | 1 | Double Flange | Metal Hub | |
| FZX-F2-22SF | 22 | .827 | .797 | .94 | .75 | 5/16 | 1 | Single Flange | Metal Hub | |
| FZX-F2-24DF | 24 | .902 | .872 | 1.02 | .88 | 5/16 | 1 | Double Flange | Metal Hub | |
| FZX-F2-24SF | 24 | .902 | .872 | 1.02 | .88 | 5/16 | 1 | Single Flange | Metal Hub | |
| FZX-F2-28DF | 28 | 1.053 | 1.023 | 1.17 | .88 | 5/16 | 2 | Double Flange | Metal Hub | |
| FZX-F2-28SF | 28 | 1.053 | 1.023 | 1.17 | .88 | 5/16 | 2 | Single Flange | Metal Hub | |
| FZX-F2-30DF | 30 | 1.128 | 1.098 | 1.24 | .88 | 5/16 | 2 | Double Flange | Metal Hub | |
| FZX-F2-30SF | 30 | 1.128 | 1.098 | 1.24 | .88 | 5/16 | 2 | Single Flange | Metal Hub | |
| FZX-F2-32DF | 32 | 1.203 | 1.173 | 1.32 | .88 | 5/16 | 2 | Double Flange | Metal Hub | |
| FZX-F2-32SF | 32 | 1.203 | 1.173 | 1.32 | .88 | 5/16 | 2 | Single Flange | Metal Hub | |
| FZX-F2-36DF | 36 | 1.353 | 1.323 | 1.47 | .88 | 5/16 | 2 | Double Flange | Metal Hub | |
| FZX-F2-36SF | 36 | 1.353 | 1.323 | 1.47 | .88 | 5/16 | 2 | Single Flange | Metal Hub | |
| FZX-F2-40DF | 40 | 1.504 | 1.474 | 1.61 | 1.00 | 5/16 | 3 | Double Flange | Metal Hub | |
| FZX-F2-40SF | 40 | 1.504 | 1.474 | 1.61 | 1.00 | 5/16 | 3 | Single Flange | Metal Hub | |
| FZX-F2-42DF | 42 | 1.579 | 1.549 | 1.70 | 1.00 | 5/16 | 3 | Double Flange | Metal Hub | |
| FZX-F2-42SF | 42 | 1.579 | 1.549 | 1.70 | 1.00 | 5/16 | 3 | Single Flange | Metal Hub | |
| FZX-F2-48DF | 48 | 1.805 | 1.775 | 1.92 | 1.00 | 5/16 | 3 | Double Flange | Metal Hub | |
| FZX-F2-48SF | 48 | 1.805 | 1.775 | 1.92 | 1.00 | 5/16 | 3 | Single Flange | Metal Hub | |
| FZX-F2-50DF | 50 | 1.880 | 1.850 | 2.00 | 1.00 | 5/16 | 3 | Double Flange | Metal Hub | |
| FZX-F2-50SF | 50 | 1.880 | 1.850 | 2.00 | 1.00 | 5/16 | 3 | Single Flange | Metal Hub | |
| FZX-F2-60DF | 60 | 2.256 | 2.226 | 2.38 | 1.00 | 5/16 | 3 | Double Flange | Metal Hub | |
| FZX-F2-60SF | 60 | 2.256 | 2.226 | 2.38 | 1.00 | 5/16 | 3 | Single Flange | Metal Hub | |
| FZX-F2-72DF | 72 | 2.707 | 2.677 | 2.83 | 1.25 | 5/16 | 3 | Double Flange | Metal Hub | |
| FZX-F2-72SF | 72 | 2.707 | 2.677 | 2.83 | 1.25 | 5/16 | 3 | Single Flange | Metal Hub | |
| FZX-F2-120NF | 120 | 4.511 | 4.481 | 4.63 | 1.25 | 5/16 | 34 | No Flange | Metal Hub | |
| FZX-F2-120SF | 120 | 4.511 | 4.481 | 4.63 | 1.25 | 5/16 | 34 | Single Flange | Metal Hub | |
| FZX-F3-20DF | 20 | .752 | .722 | .89 | .75 | 3/8 | 1 | Double Flange | Metal Hub | |
| FZX-F3-20SF | 20 | .752 | .722 | .89 | .75 | 3/8 | 1 | Single Flange | Metal Hub | |
| FZX-F3-22DF | 22 | .827 | .797 | .94 | .75 | 3/8 | 1 | Double Flange | Metal Hub | |
| FZX-F3-22SF | 22 | .827 | .797 | .94 | .75 | 3/8 | 1 | Single Flange | Metal Hub | |
| FZX-F3-24DF | 24 | .902 | .872 | 1.02 | .88 | 3/8 | 1 | Double Flange | Metal Hub | |
| FZX-F3-24SF | 24 | .902 | .872 | 1.02 | .88 | 3/8 | 1 | Single Flange | Metal Hub | |
| FZX-F3-28DF | 28 | 1.053 | 1.023 | 1.17 | .88 | 3/8 | 2 | Double Flange | Metal Hub | |
| FZX-F3-28SF | 28 | 1.053 | 1.023 | 1.17 | .88 | 3/8 | 2 | Single Flange | Metal Hub | |
| FZX-F3-30DF | 30 | 1.128 | 1.098 | 1.24 | .88 | 3/8 | 2 | Double Flange | Metal Hub | |
| FZX-F3-30SF | 30 | 1.128 | 1.098 | 1.24 | .88 | 3/8 | 2 | Single Flange | Metal Hub | |
| FZX-F3-32DF | 32 | 1.203 | 1.173 | 1.32 | .88 | 3/8 | 2 | Double Flange | Metal Hub | |
| FZX-F3-32SF | 32 | 1.203 | 1.173 | 1.32 | .88 | 3/8 | 2 | Single Flange | Metal Hub | |
| FZX-F3-36DF | 36 | 1.353 | 1.323 | 1.47 | .88 | 3/8 | 2 | Double Flange | Metal Hub | |
| FZX-F3-36SF | 36 | 1.353 | 1.323 | 1.47 | .88 | 3/8 | 2 | Single Flange | Metal Hub | |
| FZX-F3-40DF | 40 | 1.504 | 1.474 | 1.61 | 1.00 | 3/8 | 3 | Double Flange | Metal Hub | |
| FZX-F3-40SF | 40 | 1.504 | 1.474 | 1.61 | 1.00 | 3/8 | 3 | Single Flange | Metal Hub | |
| FZX-F3-42DF | 42 | 1.579 | 1.549 | 1.70 | 1.00 | 3/8 | 3 | Double Flange | Metal Hub | |
| FZX-F3-42SF | 42 | 1.579 | 1.549 | 1.70 | 1.00 | 3/8 | 3 | Single Flange | Metal Hub | |
| FZX-F3-48DF | 48 | 1.805 | 1.775 | 1.92 | 1.00 | 3/8 | 3 | Double Flange | Metal Hub | |
| FZX-F3-48SF | 48 | 1.805 | 1.775 | 1.92 | 1.00 | 3/8 | 3 | Single Flange | Metal Hub | |
| FZX-F3-50DF | 50 | 1.880 | 1.850 | 2.00 | 1.00 | 3/8 | 3 | Double Flange | Metal Hub | |
| FZX-F3-50SF | 50 | 1.880 | 1.850 | 2.00 | 1.00 | 3/8 | 3 | Single Flange | Metal Hub | |
| FZX-F3-60DF | 60 | 2.256 | 2.226 | 2.38 | 1.00 | 3/8 | 3 | Double Flange | Metal Hub | |
| FZX-F3-60SF | 60 | 2.256 | 2.226 | 2.38 | 1.00 | 3/8 | 3 | Single Flange | Metal Hub | |
| FZX-F3-72DF | 72 | 2.707 | 2.677 | 2.83 | 1.25 | 3/8 | 3 | Double Flange | Metal Hub | |
| FZX-F3-72SF | 72 | 2.707 | 2.677 | 2.83 | 1.25 | 3/8 | 3 | Single Flange | Metal Hub | |
| FZX-F3-120NF | 120 | 4.511 | 4.481 | 4.63 | 1.25 | 3/8 | 34 | No Flange | Metal Hub | |
| FZX-F3-120SF | 120 | 4.511 | 4.481 | 4.63 | 1.25 | 3/8 | 34 | Single Flange | Metal Hub | |
| FZX-F4-30DF | 30 | 1.128 | 1.098 | 1.24 | .88 | 1/2 | 2 | Double Flange | Metal Hub | |
| FZX-F4-30SF | 30 | 1.128 | 1.098 | 1.24 | .88 | 1/2 | 2 | Single Flange | Metal Hub | |
| FZX-F4-32DF | 32 | 1.203 | 1.173 | 1.32 | .88 | 1/2 | 2 | Double Flange | Metal Hub | |
| FZX-F4-32SF | 32 | 1.203 | 1.173 | 1.32 | .88 | 1/2 | 2 | Single Flange | Metal Hub | |
| FZX-F4-36DF | 36 | 1.353 | 1.323 | 1.47 | .88 | 1/2 | 2 | Double Flange | Metal Hub | |
| FZX-F4-36SF | 36 | 1.353 | 1.323 | 1.47 | .88 | 1/2 | 2 | Single Flange | Metal Hub | |
| FZX-F4-40DF | 40 | 1.504 | 1.474 | 1.61 | 1.00 | 1/2 | 3 | Double Flange | Metal Hub | |
| FZX-F4-40SF | 40 | 1.504 | 1.474 | 1.61 | 1.00 | 1/2 | 3 | Single Flange | Metal Hub | |
| FZX-F4-42DF | 42 | 1.579 | 1.549 | 1.70 | 1.00 | 1/2 | 3 | Double Flange | Metal Hub | |
| FZX-F4-42SF | 42 | 1.579 | 1.549 | 1.70 | 1.00 | 1/2 | 3 | Single Flange | Metal Hub | |
| FZX-F4-48DF | 48 | 1.805 | 1.775 | 1.92 | 1.00 | 1/2 | 3 | Double Flange | Metal Hub | |
| FZX-F4-48SF | 48 | 1.805 | 1.775 | 1.92 | 1.00 | 1/2 | 3 | Single Flange | Metal Hub | |
| FZX-F4-50DF | 50 | 1.880 | 1.850 | 2.00 | 1.00 | 1/2 | 3 | Double Flange | Metal Hub | |
| FZX-F4-50SF | 50 | 1.880 | 1.850 | 2.00 | 1.00 | 1/2 | 3 | Single Flange | Metal Hub | |
| FZX-F4-60DF | 60 | 2.256 | 2.226 | 2.38 | 1.00 | 1/2 | 3 | Double Flange | Metal Hub | |
| FZX-F4-60SF | 60 | 2.256 | 2.226 | 2.38 | 1.00 | 1/2 | 3 | Single Flange | Metal Hub | |
| FZX-F4-72DF | 72 | 2.707 | 2.677 | 2.83 | 1.25 | 1/2 | 3 | Double Flange | Metal Hub | |
| FZX-F4-72SF | 72 | 2.707 | 2.677 | 2.83 | 1.25 | 1/2 | 3 | Single Flange | Metal Hub | |
| FZX-F4-120NF | 120 | 4.511 | 4.481 | 4.63 | 1.25 | 1/2 | 34 | No Flange | Metal Hub | |
| FZX-F4-120SF | 120 | 4.511 | 4.481 | 4.63 | 1.25 | 1/2 | 34 | Single Flange | Metal Hub | |
| FZX-F5-72DF | 72 | 2.707 | 2.677 | 2.83 | 1.25 | 5/8 | 3 | Double Flange | Metal Hub | |
| FZX-F5-72SF | 72 | 2.707 | 2.677 | 2.83 | 1.25 | 5/8 | 3 | Single Flange | Metal Hub | |
| FZX-F5-120NF | 120 | 4.511 | 4.481 | 4.63 | 1.25 | 5/8 | 34 | No Flange | Metal Hub | |
| FZX-F5-120SF | 120 | 4.511 | 4.481 | 4.63 | 1.25 | 5/8 | 34 | Single Flange | Metal Hub | |