| Thrust Washers Inch  | 
 | 
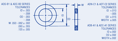
| Part | Inside Diameter | Outside Diameter | Material | Width | |
|---|---|---|---|---|---|
| Buy | View | ||||
| ADB-A1-1 | .130 | .370 | Bronze | .062 | |
| ADB-A1-2 | .192 | .495 | Bronze | .062 | |
| ADB-A1-3 | .255 | .620 | Bronze | .062 | |
| ADB-A1-4 | .318 | .745 | Bronze | .093 | |
| ADB-A1-5 | .380 | .870 | Bronze | .125 | |
| ADB-A1-6 | .505 | 1.125 | Bronze | .187 | |
| ADB-A1-7 | .192 | .495 | Bronze | .093 | |
| ADB-A1-8 | .192 | .495 | Bronze | .127 | |
| ADC-A1-1 | .130 | .370 | Steel | .062 | |
| ADC-A1-2 | .375 | .495 | Steel | .062 | |
| ADC-A1-3 | .500 | .620 | Steel | .062 | |
| ADC-A1-4 | .625 | .745 | Steel | .093 | |
| ADC-A1-5 | .750 | .870 | Steel | .125 | |
| ADC-A1-6 | 1.000 | 1.125 | Steel | .187 | |
| ADC-A1-7 | .375 | .495 | Steel | .093 | |
| ADC-A1-8 | .375 | .495 | Steel | .127 | |
| ADC-B2-1 | .125 | .438 | Carbon Steel | .050 | |
| ADC-B2-2 | .188 | .500 | Carbon Steel | .050 | |
| ADC-B2-3 | .250 | .563 | Carbon Steel | .050 | |
| ADC-B2-4 | .313 | .625 | Carbon Steel | .050 | |
| ADC-B2-5 | .375 | .813 | Carbon Steel | .062 | |
| ADC-B2-6 | .500 | .938 | Carbon Steel | .062 | |
| ADC-B2-7 | .625 | 1.125 | Carbon Steel | .093 | |
| ADC-B2-8 | .750 | 1.250 | Carbon Steel | .093 | |
| ADC-B2-9 | 1.000 | 1.625 | Carbon Steel | .125 | |
| ADC-B2-10 | 1.250 | 1.875 | Carbon Steel | .125 | |
| ADN-C1-1 | .188 | .750 | Nylon | .062 | |
| ADN-C1-2 | .250 | .625 | Nylon | .093 | |
| ADN-C1-3 | .500 | .813 | Nylon | .093 | |
| ADN-C1-4 | .562 | 1.000 | Nylon | .093 | |
| ADN-C1-5 | .625 | 1.063 | Nylon | .093 | |
| ADN-C1-6 | .750 | 1.125 | Nylon | .093 | |
| ADN-C1-7 | .875 | 2.125 | Nylon | .093 | |
| ADN-C1-8 | 1.250 | 2.063 | Nylon | .093 | |
| ADS-B1-1 | .125 | .438 | 410 Stainless Steel | .050 | |
| ADS-B1-2 | .188 | .500 | 410 Stainless Steel | .050 | |
| ADS-B1-3 | .250 | .563 | 410 Stainless Steel | .050 | |
| ADS-B1-4 | .313 | .625 | 410 Stainless Steel | .050 | |
| ADS-B1-5 | .375 | .813 | 410 Stainless Steel | .062 | |
| ADS-B1-6 | .500 | .938 | 410 Stainless Steel | .062 | |
| ADS-B1-7 | .625 | 1.125 | 410 Stainless Steel | .093 | |
| ADS-B1-8 | .750 | 1.250 | 410 Stainless Steel | .093 | |
| ADS-B1-9 | 1.000 | 1.625 | 410 Stainless Steel | .125 | |
| ADS-B1-10 | 1.250 | 1.875 | 410 Stainless Steel | .125 | |
| ADT-C2-1 | .188 | .750 | Teflon | .062 | |
| ADT-C2-2 | .250 | .625 | Teflon | .093 | |
| ADT-C2-3 | .500 | .813 | Teflon | .093 | |
| ADT-C2-4 | .562 | 1.000 | Teflon | .093 | |
| ADT-C2-5 | .625 | 1.063 | Teflon | .093 | |
| ADT-C2-6 | .750 | 1.125 | Teflon | .093 | |
| ADT-C2-7 | .875 | 2.125 | Teflon | .093 | |
| ADT-C2-8 | 1.250 | 2.063 | Teflon | .093 | |