| Worm Gear Speed Reducer - Ball Bearing Style  | 
 | 
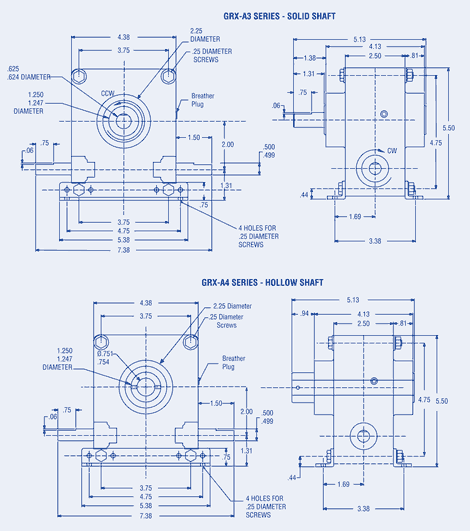
| Material: Molded, glass filled case At lower speeds the torque ratings shown may be increased up to 50%. Note: Center distance is 2.00" on all models. Ratings at 1800 rpm. | |
| Part | Ratio | Input hp | Output hp | Output rpm | Torque in/lbs. | Torque Nm | Shaft | |
|---|---|---|---|---|---|---|---|---|
| Buy | View | |||||||
| GRX-A3-1 | 5:1 | .94 | .80 | 360 | 140 | 16.18 | Solid Shaft | |
| GRX-A3-2 | 9:1 | .68 | .55 | 200 | 175 | 20.22 | Solid Shaft | |
| GRX-A3-3 | 18:1 | .40 | .30 | 100 | 190 | 21.96 | Solid Shaft | |
| GRX-A3-4 | 25:1 | .30 | .22 | 72 | 190 | 21.96 | Solid Shaft | |
| GRX-A3-5 | 36:1 | .23 | .15 | 50 | 190 | 21.96 | Solid Shaft | |
| GRX-A3-6 | 50:1 | .15 | .10 | 36 | 190 | 21.96 | Solid Shaft | |
| GRX-A3-7 | 100:1 | .12 | .06 | 18 | 195 | 22.54 | Solid Shaft | |
| GRX-A4-1 | 5:1 | .94 | .80 | 360 | 140 | 16.18 | Hollow Shaft | |
| GRX-A4-2 | 9:1 | .68 | .55 | 200 | 175 | 20.22 | Hollow Shaft | |
| GRX-A4-3 | 18:1 | .40 | .30 | 100 | 190 | 21.96 | Hollow Shaft | |
| GRX-A4-4 | 25:1 | .30 | .22 | 72 | 190 | 21.96 | Hollow Shaft | |
| GRX-A4-5 | 36:1 | .23 | .15 | 50 | 190 | 21.96 | Hollow Shaft | |
| GRX-A4-6 | 50:1 | .15 | .10 | 36 | 190 | 21.96 | Hollow Shaft | |
| GRX-A4-7 | 100:1 | .12 | .06 | 18 | 195 | 22.54 | Hollow Shaft | |