| Worm Wheel, Pin Hub - 1,5 module  | 
 | 
| Material: Bronze QQ-B-637, Alloy 464 Right Hand, Quality 10/DIN 7 For Split Hub and SH to p/n | |
| Part | Bore | Hub Diameter | Pitch Diameter | Thread | Teeth | |
|---|---|---|---|---|---|---|
| Buy | View | 20,0 | ||||
| KBB-J1-1 | 10,0 | 20,0 | 30,00 | Single | 30,00 | |
| KBB-J1-2 | 10,0 | 20,0 | 45,00 | Single | 45,00 | |
| KBB-J1-3 | 10,0 | 20,0 | 60,00 | Single | 60,00 | |
| KBB-J1-4 | 10,0 | 20,0 | 75,00 | Single | 75,00 | |
| KBB-J1-5 | 10,0 | 20,0 | 90,00 | Single | 90,00 | |
| KBB-J1-6 | 10,0 | 20,0 | 108,00 | Single | 108,00 | |
| KBB-J1-7 | 10,0 | 20,0 | 120,00 | Single | 120,00 | |
| KBB-J1-8 | 10,0 | 20,0 | 144,00 | Single | 144,00 | |
| KBB-J1-9 | 10,0 | 20,0 | 150,00 | Single | 150,00 | |
| KBB-J2-1 | 12,0 | 20,0 | 30,00 | Single | 30,00 | |
| KBB-J2-2 | 12,0 | 20,0 | 45,00 | Single | 45,00 | |
| KBB-J2-3 | 12,0 | 20,0 | 60,00 | Single | 60,00 | |
| KBB-J2-4 | 12,0 | 20,0 | 75,00 | Single | 75,00 | |
| KBB-J2-5 | 12,0 | 20,0 | 90,00 | Single | 90,00 | |
| KBB-J2-6 | 12,0 | 20,0 | 108,00 | Single | 108,00 | |
| KBB-J2-7 | 12,0 | 20,0 | 120,00 | Single | 120,00 | |
| KBB-J2-8 | 12,0 | 20,0 | 144,00 | Single | 144,00 | |
| KBB-J2-9 | 12,0 | 20,0 | 150,00 | Single | 150,00 | |
| KBB-J3-1 | 10,0 | 20,0 | 30,00 | Double | 30,00 | |
| KBB-J3-2 | 10,0 | 20,0 | 45,00 | Double | 45,00 | |
| KBB-J3-3 | 10,0 | 20,0 | 60,00 | Double | 60,00 | |
| KBB-J3-4 | 10,0 | 20,0 | 75,00 | Double | 75,00 | |
| KBB-J3-5 | 10,0 | 20,0 | 90,00 | Double | 90,00 | |
| KBB-J3-6 | 10,0 | 20,0 | 108,00 | Double | 108,00 | |
| KBB-J3-7 | 10,0 | 20,0 | 120,00 | Double | 120,00 | |
| KBB-J3-8 | 10,0 | 20,0 | 144,00 | Double | 144,00 | |
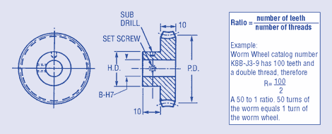
| KBB-J3-9 | 10,0 | 20,0 | 150,00 | Double | 150,00 | |
| KBB-J4-1 | 12,0 | 20,0 | 30,00 | Double | 30,00 | |
| KBB-J4-2 | 12,0 | 20,0 | 45,00 | Double | 45,00 | |
| KBB-J4-3 | 12,0 | 20,0 | 60,00 | Double | 60,00 | |
| KBB-J4-4 | 12,0 | 20,0 | 75,00 | Double | 75,00 | |
| KBB-J4-5 | 12,0 | 20,0 | 90,00 | Double | 90,00 | |
| KBB-J4-6 | 12,0 | 20,0 | 108,00 | Double | 108,00 | |
| KBB-J4-7 | 12,0 | 20,0 | 120,00 | Double | 120,00 | |
| KBB-J4-8 | 12,0 | 20,0 | 144,00 | Double | 144,00 | |
| KBB-J4-9 | 12,0 | 20,0 | 150,00 | Double | 150,00 | |
| KBB-J5-1 | 10,0 | 20,0 | 30,00 | Four | 30,00 | |
| KBB-J5-2 | 10,0 | 20,0 | 45,00 | Four | 45,00 | |
| KBB-J5-3 | 10,0 | 20,0 | 60,00 | Four | 60,00 | |
| KBB-J5-4 | 10,0 | 20,0 | 75,00 | Four | 75,00 | |
| KBB-J5-5 | 10,0 | 20,0 | 90,00 | Four | 90,00 | |
| KBB-J5-6 | 10,0 | 20,0 | 108,00 | Four | 108,00 | |
| KBB-J5-7 | 10,0 | 20,0 | 120,00 | Four | 120,00 | |
| KBB-J5-8 | 10,0 | 20,0 | 144,00 | Four | 144,00 | |
| KBB-J5-9 | 10,0 | 20,0 | 150,00 | Four | 150,00 | |
| KBB-J6-1 | 12,0 | 20,0 | 30,00 | Four | 30,00 | |
| KBB-J6-2 | 12,0 | 20,0 | 45,00 | Four | 45,00 | |
| KBB-J6-3 | 12,0 | 20,0 | 60,00 | Four | 60,00 | |
| KBB-J6-4 | 12,0 | 20,0 | 75,00 | Four | 75,00 | |
| KBB-J6-5 | 12,0 | 20,0 | 90,00 | Four | 90,00 | |
| KBB-J6-6 | 12,0 | 20,0 | 108,00 | Four | 108,00 | |
| KBB-J6-7 | 12,0 | 20,0 | 120,00 | Four | 120,00 | |
| KBB-J6-8 | 12,0 | 20,0 | 144,00 | Four | 144,00 | |
| KBB-J6-9 | 12,0 | 20,0 | 150,00 | Four | 150,00 | |