| Worm Wheel, Pin Hub - 0,5 module  | 
 | 
| Material: Bronze QQ-B-637, Alloy 464 Right Hand, Quality 10/DIN 7 For Split Hub and SH to p/n | |
| Part | Bore | Hub Diameter | Pitch Diameter | Thread | Teeth | |
|---|---|---|---|---|---|---|
| Buy | View | |||||
| KBB-F1-1 | 5,0 | 10,0 | 20 | Single | 30 | |
| KBB-F1-2 | 5,0 | 10,0 | 25 | Single | 40 | |
| KBB-F1-3 | 5,0 | 10,0 | 30 | Single | 50 | |
| KBB-F1-4 | 5,0 | 10,0 | 35 | Single | 60 | |
| KBB-F1-5 | 5,0 | 10,0 | 36 | Single | 70 | |
| KBB-F1-6 | 5,0 | 10,0 | 40 | Single | 72 | |
| KBB-F1-7 | 5,0 | 10,0 | 45 | Single | 80 | |
| KBB-F1-8 | 5,0 | 10,0 | 48 | Single | 90 | |
| KBB-F1-9 | 5,0 | 10,0 | 50 | Single | 96 | |
| KBB-F1-10 | 5,0 | 10,0 | 60 | Single | 100 | |
| KBB-F2-1 | 8,0 | 12,0 | 20 | Single | 30 | |
| KBB-F2-2 | 8,0 | 12,0 | 25 | Single | 40 | |
| KBB-F2-3 | 8,0 | 12,0 | 30 | Single | 50 | |
| KBB-F2-4 | 8,0 | 12,0 | 35 | Single | 60 | |
| KBB-F2-5 | 8,0 | 12,0 | 36 | Single | 70 | |
| KBB-F2-6 | 8,0 | 12,0 | 40 | Single | 72 | |
| KBB-F2-7 | 8,0 | 12,0 | 45 | Single | 80 | |
| KBB-F2-8 | 8,0 | 12,0 | 48 | Single | 90 | |
| KBB-F2-9 | 8,0 | 12,0 | 50 | Single | 96 | |
| KBB-F2-10 | 8,0 | 12,0 | 60 | Single | 100 | |
| KBB-F3-1 | 5,0 | 10,0 | 20 | Double | 30 | |
| KBB-F3-2 | 5,0 | 10,0 | 25 | Double | 40 | |
| KBB-F3-3 | 5,0 | 10,0 | 30 | Double | 50 | |
| KBB-F3-4 | 5,0 | 10,0 | 35 | Double | 60 | |
| KBB-F3-5 | 5,0 | 10,0 | 36 | Double | 70 | |
| KBB-F3-6 | 5,0 | 10,0 | 40 | Double | 72 | |
| KBB-F3-7 | 5,0 | 10,0 | 45 | Double | 80 | |
| KBB-F3-8 | 5,0 | 10,0 | 48 | Double | 90 | |
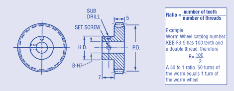
| KBB-F3-9 | 5,0 | 10,0 | 50 | Double | 96 | |
| KBB-F3-10 | 5,0 | 10,0 | 60 | Double | 100 | |
| KBB-F4-1 | 8,0 | 12,0 | 20 | Double | 30 | |
| KBB-F4-2 | 8,0 | 12,0 | 25 | Double | 40 | |
| KBB-F4-3 | 8,0 | 12,0 | 30 | Double | 50 | |
| KBB-F4-4 | 8,0 | 12,0 | 35 | Double | 60 | |
| KBB-F4-5 | 8,0 | 12,0 | 36 | Double | 70 | |
| KBB-F4-6 | 8,0 | 12,0 | 40 | Double | 72 | |
| KBB-F4-7 | 8,0 | 12,0 | 45 | Double | 80 | |
| KBB-F4-8 | 8,0 | 12,0 | 48 | Double | 90 | |
| KBB-F4-9 | 8,0 | 12,0 | 50 | Double | 96 | |
| KBB-F4-10 | 8,0 | 12,0 | 60 | Double | 100 | |
| KBB-F5-1 | 5,0 | 10,0 | 20 | Four | 30 | |
| KBB-F5-2 | 5,0 | 10,0 | 25 | Four | 40 | |
| KBB-F5-3 | 5,0 | 10,0 | 30 | Four | 50 | |
| KBB-F5-4 | 5,0 | 10,0 | 35 | Four | 60 | |
| KBB-F5-5 | 5,0 | 10,0 | 36 | Four | 70 | |
| KBB-F5-6 | 5,0 | 10,0 | 40 | Four | 72 | |
| KBB-F5-7 | 5,0 | 10,0 | 45 | Four | 80 | |
| KBB-F5-8 | 5,0 | 10,0 | 48 | Four | 90 | |
| KBB-F5-9 | 5,0 | 10,0 | 50 | Four | 96 | |
| KBB-F5-10 | 5,0 | 10,0 | 60 | Four | 100 | |
| KBB-F6-1 | 8,0 | 12,0 | 20 | Four | 30 | |
| KBB-F6-2 | 8,0 | 12,0 | 25 | Four | 40 | |
| KBB-F6-3 | 8,0 | 12,0 | 30 | Four | 50 | |
| KBB-F6-4 | 8,0 | 12,0 | 35 | Four | 60 | |
| KBB-F6-5 | 8,0 | 12,0 | 36 | Four | 70 | |
| KBB-F6-6 | 8,0 | 12,0 | 40 | Four | 72 | |
| KBB-F6-7 | 8,0 | 12,0 | 45 | Four | 80 | |
| KBB-F6-8 | 8,0 | 12,0 | 48 | Four | 90 | |
| KBB-F6-9 | 8,0 | 12,0 | 50 | Four | 96 | |
| KBB-F6-10 | 8,0 | 12,0 | 60 | Four | 100 | |