| Worm Wheel, Pin Hub - 0,4 module  | 
 | 
| Material: Bronze QQ-B-637, Alloy 464 Right Hand, Quality 10/DIN 7 For Split Hub and SH to p/n | |
| Part | Bore | Hub Diameter | Pitch Diameter | Thread | Teeth | |
|---|---|---|---|---|---|---|
| Buy | View | |||||
| KBB-E1-1 | 5,0 | 10,0 | 16,00 | Single | 40 | |
| KBB-E1-2 | 5,0 | 10,0 | 20,00 | Single | 50 | |
| KBB-E1-3 | 5,0 | 10,0 | 24,00 | Single | 60 | |
| KBB-E1-4 | 5,0 | 10,0 | 28,00 | Single | 70 | |
| KBB-E1-5 | 5,0 | 10,0 | 28,80 | Single | 72 | |
| KBB-E1-6 | 5,0 | 10,0 | 32,00 | Single | 80 | |
| KBB-E1-7 | 5,0 | 10,0 | 36,00 | Single | 90 | |
| KBB-E1-8 | 5,0 | 10,0 | 38,40 | Single | 96 | |
| KBB-E1-9 | 5,0 | 10,0 | 40,00 | Single | 100 | |
| KBB-E1-10 | 5,0 | 10,0 | 48,00 | Single | 120 | |
| KBB-E2-1 | 8,0 | 12,0 | 16,00 | Single | 40 | |
| KBB-E2-2 | 8,0 | 12,0 | 20,00 | Single | 50 | |
| KBB-E2-3 | 8,0 | 12,0 | 24,00 | Single | 60 | |
| KBB-E2-4 | 8,0 | 12,0 | 28,00 | Single | 70 | |
| KBB-E2-5 | 8,0 | 12,0 | 28,80 | Single | 72 | |
| KBB-E2-6 | 8,0 | 12,0 | 32,00 | Single | 80 | |
| KBB-E2-7 | 8,0 | 12,0 | 36,00 | Single | 90 | |
| KBB-E2-8 | 8,0 | 12,0 | 38,40 | Single | 96 | |
| KBB-E2-9 | 8,0 | 12,0 | 40,00 | Single | 100 | |
| KBB-E2-10 | 8,0 | 12,0 | 48,00 | Single | 120 | |
| KBB-E3-1 | 5,0 | 10,0 | 16,00 | Double | 40 | |
| KBB-E3-2 | 5,0 | 10,0 | 20,00 | Double | 50 | |
| KBB-E3-3 | 5,0 | 10,0 | 24,00 | Double | 60 | |
| KBB-E3-4 | 5,0 | 10,0 | 28,00 | Double | 70 | |
| KBB-E3-5 | 5,0 | 10,0 | 28,80 | Double | 72 | |
| KBB-E3-6 | 5,0 | 10,0 | 32,00 | Double | 80 | |
| KBB-E3-7 | 5,0 | 10,0 | 36,00 | Double | 90 | |
| KBB-E3-8 | 5,0 | 10,0 | 38,40 | Double | 96 | |
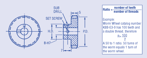
| KBB-E3-9 | 5,0 | 10,0 | 40,00 | Double | 100 | |
| KBB-E3-10 | 5,0 | 10,0 | 48,00 | Double | 120 | |
| KBB-E4-1 | 8,0 | 12,0 | 16,00 | Double | 40 | |
| KBB-E4-2 | 8,0 | 12,0 | 20,00 | Double | 50 | |
| KBB-E4-3 | 8,0 | 12,0 | 24,00 | Double | 60 | |
| KBB-E4-4 | 8,0 | 12,0 | 28,00 | Double | 70 | |
| KBB-E4-5 | 8,0 | 12,0 | 28,80 | Double | 72 | |
| KBB-E4-6 | 8,0 | 12,0 | 32,00 | Double | 80 | |
| KBB-E4-7 | 8,0 | 12,0 | 36,00 | Double | 90 | |
| KBB-E4-8 | 8,0 | 12,0 | 38,40 | Double | 96 | |
| KBB-E4-9 | 8,0 | 12,0 | 40,00 | Double | 100 | |
| KBB-E4-10 | 8,0 | 12,0 | 48,00 | Double | 120 | |
| KBB-E5-1 | 5,0 | 10,0 | 16,00 | Four | 40 | |
| KBB-E5-2 | 5,0 | 10,0 | 20,00 | Four | 50 | |
| KBB-E5-3 | 5,0 | 10,0 | 24,00 | Four | 60 | |
| KBB-E5-4 | 5,0 | 10,0 | 28,00 | Four | 70 | |
| KBB-E5-5 | 5,0 | 10,0 | 28,80 | Four | 72 | |
| KBB-E5-6 | 5,0 | 10,0 | 32,00 | Four | 80 | |
| KBB-E5-7 | 5,0 | 10,0 | 36,00 | Four | 90 | |
| KBB-E5-8 | 5,0 | 10,0 | 38,40 | Four | 96 | |
| KBB-E5-9 | 5,0 | 10,0 | 40,00 | Four | 100 | |
| KBB-E5-10 | 5,0 | 10,0 | 48,00 | Four | 120 | |
| KBB-E6-1 | 8,0 | 12,0 | 16,00 | Four | 40 | |
| KBB-E6-2 | 8,0 | 12,0 | 20,00 | Four | 50 | |
| KBB-E6-3 | 8,0 | 12,0 | 24,00 | Four | 60 | |
| KBB-E6-4 | 8,0 | 12,0 | 28,00 | Four | 70 | |
| KBB-E6-5 | 8,0 | 12,0 | 28,80 | Four | 72 | |
| KBB-E6-6 | 8,0 | 12,0 | 32,00 | Four | 80 | |
| KBB-E6-7 | 8,0 | 12,0 | 36,00 | Four | 90 | |
| KBB-E6-8 | 8,0 | 12,0 | 38,40 | Four | 96 | |
| KBB-E6-9 | 8,0 | 12,0 | 40,00 | Four | 100 | |
| KBB-E6-10 | 8,0 | 12,0 | 48,00 | Four | 120 | |