| Flanged Linear Bearings, Inch Sizes  | 
 | 
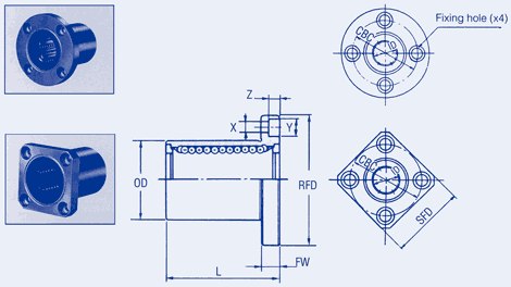
| Material: Outer HOusing: High carbon chromium steel Balls: 52100 chrome steel Retainer: Resin | |
| Part | Type | Inside Diameter | Outside Diameter | Length | Flange Width | Round Flange Diameter | Square Flange Diameter | Center Bolt Circuit | XxYxZ inch | |
|---|---|---|---|---|---|---|---|---|---|---|
| Buy | View | |||||||||
| ABX-F1-1 | Square | .2500 | .5000 | .750 | .22 | .000 | 1.00 | .875 | .1560 x .2500 x .1410 | |
| ABX-F1-2 | Square | .3750 | .6250 | .875 | .25 | .000 | 1.25 | 1.062 | .1875 x .2970 x .1720 | |
| ABX-F1-3 | Square | .5000 | .8750 | 1.250 | .25 | .000 | 1.37 | 1.312 | .1875 x .2970 x .1720 | |
| ABX-F1-4 | Square | .7500 | 1.2500 | 1.625 | .31 | .000 | 1.68 | 1.718 | .2187 x .3440 x .2030 | |
| ABX-F1-5 | Square | 1.0000 | 1.5625 | 2.250 | .31 | .000 | 2.00 | 2.031 | .2187 x .3440 x .2030 | |
| ABX-F1-6 | Square | 1.2500 | 2.0000 | 2.625 | .37 | .000 | 2.50 | 2.562 | .2812 x .4060 x .2656 | |
| ABX-F1-7 | Square | 1.5000 | 2.3750 | 3.000 | .50 | .000 | 3.00 | 3.062 | .3440 x .5000 x .3280 | |
| ABX-F1-8 | Square | 2.0000 | 3.0000 | 4.000 | .50 | .000 | 3.50 | 3.687 | .3440 x .5000 x .3280 | |
| ABX-F2-1 | Round | .2500 | .5000 | .750 | .22 | 1.250 | .00 | .875 | .1560 x .2500 x .1410 | |
| ABX-F2-2 | Round | .3750 | .6250 | .875 | .25 | 1.500 | .00 | 1.062 | .1875 x .2970 x .1720 | |
| ABX-F2-3 | Round | .5000 | .8750 | 1.250 | .25 | 1.750 | .00 | 1.312 | .1875 x .2970 x .1720 | |
| ABX-F2-4 | Round | .7500 | 1.2500 | 1.625 | .31 | 2.187 | .00 | 1.718 | .2187 x .3440 x .2030 | |
| ABX-F2-5 | Round | 1.0000 | 1.5625 | 2.250 | .31 | 2.500 | .00 | 2.031 | .2187 x .3440 x .2030 | |
| ABX-F2-6 | Round | 1.2500 | 2.0000 | 2.625 | .37 | 3.125 | .00 | 2.562 | .2812 x .4060 x .2656 | |
| ABX-F2-7 | Round | 1.5000 | 2.3750 | 3.000 | .50 | 3.750 | .00 | 3.062 | .3440 x .5000 x .3280 | |
| ABX-F2-8 | Round | 2.0000 | 3.0000 | 4.000 | .50 | 4.375 | .00 | 3.687 | .3440 x .5000 x .3280 | |