| Timing Belts Cluster Pulley 32 Pitch  | 
 | 
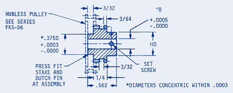
| Material: 303 Stainless Steel Clear Passivate. For use with hubless gears or pulleys. | |
| Part | No. Teeth | Bore | Outside Diameter | Pitch Diameter | Set Screw | Hub Diameter | |
|---|---|---|---|---|---|---|---|
| Buy | View | ||||||
| FMS-D1-14 | 14.00000 | .1248 | .5000 | .4375 | #2-56 | 5/16 | |
| FMS-D1-15 | 15.00000 | .1248 | .5312 | .4687 | #2-56 | 5/16 | |
| FMS-D1-16 | 16.00000 | .1248 | .5625 | .5000 | #2-56 | 5/16 | |
| FMS-D2-14 | 14.00000 | .1875 | .5000 | .4375 | #4-40 | 3/8 | |
| FMS-D2-15 | 15.00000 | .1875 | .5312 | .4687 | #4-40 | 3/8 | |
| FMS-D2-16 | 16.00000 | .1875 | .5625 | .5000 | #4-40 | 3/8 | |
| FMS-D3-14 | 14.00000 | .2498 | .5000 | .4375 | #4-40 | 1/2 | |
| FMS-D3-15 | 15.00000 | .2498 | .5312 | .4687 | #4-40 | 1/2 | |
| FMS-D3-16 | 16.00000 | .2498 | .5625 | .5000 | #4-40 | 1/2 | |