| Torque Tube Couplings  | 
 | 
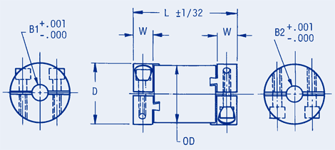
| Specify bore (B2) and length when ordering. Lengths available are 1.5,2.0,3.0,4.0,5.0 other lengths upon request. Material: Tube - Delrin, Clamps - aluminum 2024-T4, Screws - alloy steel, Internal compression spring - 302 stainless steel. | |
| Part | Diameter | Outside Diameter | Width | Bore 1 +.001 | Bore 2 | |
|---|---|---|---|---|---|---|
| Buy | View | |||||
| CTX-C3-18 | .94 | .87 | .36 | .188 | .188, .250, .313, .375 | |
| CTX-C3-25 | .94 | .87 | .36 | .250 | .250, .313, .375 | |
| CTX-C3-31 | .94 | .87 | .36 | .313 | .313, .375 | |
| CTX-C3-37 | .94 | .87 | .36 | .375 | .375 | |
| CTX-F4-50 | 1.88 | 1.50 | .50 | .500 | .500, .625, .750, .875 | |
| CTX-F4-62 | 1.88 | 1.50 | .50 | .625 | .525, .750, .875 | |
| CTX-F4-75 | 1.88 | 1.50 | .50 | .750 | .750, .875 | |
| CTX-F4-87 | 1.88 | 1.50 | .50 | .875 | .875 | |