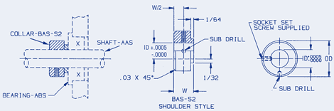
| Set Screw Collars-Precision, Inch shoulder style  | 
 | 
| Part | Shaft Size | Inside Diameter | Width | Set Screw | Material | Oustide Diameter | |
|---|---|---|---|---|---|---|---|
| Buy | View | 303 Stainless Steel | |||||
| BAS-S2-10 | 5/64 | .0779 | .12 | #0-80 | 303 Stainless Steel | 7/32 | |
| BAS-S2-20 | 3/32 | .0935 | .12 | #0-80 | 303 Stainless Steel | 1/4 | |
| BAS-S2-30 | 1/8 | .1248 | .18 | #2-56 | 303 Stainless Steel | 5/16 | |
| BAS-S2-40 | 5/32 | .1560 | .18 | #2-56 | 303 Stainless Steel | 5/16 | |
| BAS-S2-50 | 3/16 | .1873 | .22 | #4-40 | 303 Stainless Steel | 3/8 | |
| BAS-S2-60 | 0.24 | .2405 | .25 | #6-32 | 303 Stainless Steel | 1/2 | |
| BAS-S2-70 | 1/4 | .2498 | .25 | #6-32 | 303 Stainless Steel | 1/2 | |
| BAS-S2-80 | 5/16 | .3123 | .25 | #6-32 | 303 Stainless Steel | 1/2 | |
| BAS-S2-90 | 3/8 | .3748 | .37 | #10-24 | 303 Stainless Steel | 3/4 | |
| BAS-S2-100 | 1/2 | .4998 | .44 | #1/4-20 | 303 Stainless Steel | 1 | |
| BAS-S2-110 | 5/8 | .6248 | .50 | #1/4-20 | 303 Stainless Steel | 1 1/4 | |
| BAS-S2-120 | 3/4 | .7498 | .56 | #3/8-16 | 303 Stainless Steel | 1 1/2 | |
| BAS-S2-130 | 1 | .9998 | .63 | #3/8-16 | 303 Stainless Steel | 2 | |
| BAS-S2-140 | 1.25 | 1.2498 | .75 | #3/8-16 | 303 Stainless Steel | 2 1/4 | |