| Retaining Rings, Shaft gripping type  | 
 | 
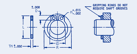
| Part | L Diameter | Diameter | Ring Clearance | Inside Diameter | Thickness | Shaft Diameter | Hole | Assembly Tool | Material | |
|---|---|---|---|---|---|---|---|---|---|---|
| Buy | View | PH 15-7MO Stainless Steel | ||||||||
| DRS-A5-1 | .268 | .078 | .33 | .120 | .025 | .125 | .042 | DRS-A5-51 | PH 15-7MO Stainless Steel | |
| DRS-A5-2 | .364 | .097 | .44 | .181 | .035 | .187 | .051 | DRS-A5-52 | PH 15-7MO Stainless Steel | |
| DRS-A5-3 | .437 | .097 | .49 | .238 | .035 | .250 | .051 | DRS-A5-52 | PH 15-7MO Stainless Steel | |
| DRS-A5-4 | .620 | .141 | .74 | .354 | .042 | .375 | .078 | DRS-A5-54 | PH 15-7MO Stainless Steel | |
| DRS-A5-5 | .768 | .158 | .90 | .470 | .050 | .500 | .078 | DRS-A5-54 | PH 15-7MO Stainless Steel | |