| Retaining Rings Bowed, Inch  | 
 | 
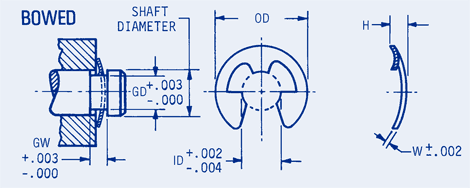
| Part | Groove Diameter | Groove Width | Outside Diameter | Inside Diameter | Width | Shaft Diameter (Ref.) | Height | Assembly Tool | Material | |
|---|---|---|---|---|---|---|---|---|---|---|
| Buy | View | PH 15-7MO Stainless Steel | ||||||||
| DRS-A4-1 | .095 | .022 | .230 | .094 | .010 | .125 | .033 | DRS-A4-51 | PH 15-7MO Stainless Steel | |
| DRS-A4-2 | .147 | .030 | .335 | .145 | .015 | .187 | .043 | DRS-A4-52 | PH 15-7MO Stainless Steel | |
| DRS-A4-3 | .210 | .049 | .527 | .207 | .025 | .250 | .067 | DRS-A4-53 | PH 15-7MO Stainless Steel | |
| DRS-A4-4 | .250 | .047 | .500 | .243 | .025 | .312 | .065 | DRS-A4-54 | PH 15-7MO Stainless Steel | |
| DRS-A4-5 | .303 | .060 | .660 | .300 | .035 | .375 | .076 | DRS-A4-55 | PH 15-7MO Stainless Steel | |
| DRS-A4-6 | .396 | .073 | .800 | .392 | .042 | .500 | .093 | DRS-A4-56 | PH 15-7MO Stainless Steel | |
| DRS-A4-7 | .485 | .077 | .940 | .480 | .052 | .625 | .098 | DRS-A4-57 | PH 15-7MO Stainless Steel | |
| DRS-A4-8 | .580 | .085 | 1.000 | .574 | .052 | .750 | .112 | DRS-A4-58 | PH 15-7MO Stainless Steel | |
| DRS-A4-9 | .835 | .085 | 1.500 | .822 | .052 | 1.000 | .112 | DRS-A4-59 | PH 15-7MO Stainless Steel | |