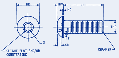
| Socket Screws - Button Head, Inch  | 
 | 
| Material: stainless steel Class 3A threads. | |
| Part | Thread | Head Diameter-max | Head Width-max | Head Dimension | Socket | Socket Depth | Fillet extension max | Thread Diameter | Length | |
|---|---|---|---|---|---|---|---|---|---|---|
| Buy | View | |||||||||
| DLS-B3-1 | #4-40 | .213 | .059 | .015 | .062 | .035 | .010 | .1120 | 1/4 | |
| DLS-B3-2 | #4-40 | .213 | .059 | .015 | .062 | .035 | .010 | .1120 | 3/8 | |
| DLS-B3-3 | #4-40 | .213 | .059 | .015 | .062 | .035 | .010 | .1120 | 1/2 | |
| DLS-B3-4 | #6-32 | .262 | .073 | .015 | .078 | .044 | .010 | .1380 | 1/4 | |
| DLS-B3-5 | #6-32 | .262 | .073 | .015 | .078 | .044 | .010 | .1380 | 3/8 | |
| DLS-B3-6 | #6-32 | .262 | .073 | .015 | .078 | .044 | .010 | .1380 | 1/2 | |
| DLS-B3-7 | #8-32 | .312 | .087 | .015 | .094 | .052 | .015 | .1640 | 1/4 | |
| DLS-B3-8 | #8-32 | .312 | .087 | .015 | .094 | .052 | .015 | .1640 | 3/8 | |
| DLS-B3-9 | #8-32 | .312 | .087 | .015 | .094 | .052 | .015 | .1640 | 1/2 | |
| DLS-B3-10 | #8-32 | .312 | .087 | .015 | .094 | .052 | .015 | .1640 | 3/4 | |
| DLS-B3-11 | #10-24 | .361 | .101 | .020 | .125 | .070 | .015 | .1900 | 3/8 | |
| DLS-B3-12 | #10-24 | .361 | .101 | .020 | .125 | .070 | .015 | .1900 | 1/2 | |
| DLS-B3-13 | #10-24 | .361 | .101 | .020 | .125 | .070 | .015 | .1900 | 5/8 | |
| DLS-B3-14 | #10-24 | .361 | .101 | .020 | .125 | .070 | .015 | .1900 | 3/4 | |
| DLS-B3-15 | #10-32 | .361 | .101 | .020 | .125 | .070 | .015 | .1900 | 1/4 | |
| DLS-B3-16 | #10-32 | .361 | .101 | .020 | .125 | .070 | .015 | .1900 | 3/8 | |
| DLS-B3-17 | #10-32 | .361 | .101 | .020 | .125 | .070 | .015 | .1900 | 1/2 | |
| DLS-B3-18 | #10-32 | .361 | .101 | .020 | .125 | .070 | .015 | .1900 | 5/8 | |
| DLS-B3-19 | #10-32 | .361 | .101 | .020 | .125 | .070 | .015 | .1900 | 3/4 | |
| DLS-B3-20 | 1/4-20 | .437 | .132 | .031 | .156 | .087 | .020 | .2500 | 3/8 | |
| DLS-B3-21 | 1/4-20 | .437 | .132 | .031 | .156 | .087 | .020 | .2500 | 1/2 | |
| DLS-B3-22 | 1/4-20 | .437 | .132 | .031 | .156 | .087 | .020 | .2500 | 5/8 | |
| DLS-B3-23 | 1/4-20 | .437 | .132 | .031 | .156 | .087 | .020 | .2500 | 3/4 | |
| DLS-B3-24 | 1/4-20 | .437 | .132 | .031 | .156 | .087 | .020 | .2500 | 1 | |
| DLS-B3-25 | 5/16-18 | .547 | .166 | .031 | .188 | .105 | .020 | .3125 | 3/4 | |
| DLS-B3-26 | 3/8-16 | .656 | .199 | .031 | .219 | .122 | .020 | .3750 | 1 | |