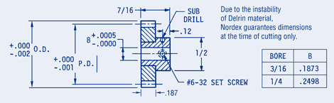
| Spur Gear-Pin Hub, Delrin® 96 pitch  | 
 | 
| AGMA Quality 10 gears. 20 degree pressure angle. | |
| Part | Number of Teeth | Bore | Outside Diameter | Pitch Diameter | Face Width | Gear Material | Hub Material | |
|---|---|---|---|---|---|---|---|---|
| Buy | View | Delrin | 303 Stainless Steel | |||||
| LLE-K2-52 | 52 | .1873 | .563 | .5416 | .188 | Delrin | 303 Stainless Steel | |
| LLE-K2-53 | 53 | .1873 | .573 | .5520 | .188 | Delrin | 303 Stainless Steel | |
| LLE-K2-54 | 54 | .1873 | .583 | .5625 | .188 | Delrin | 303 Stainless Steel | |
| LLE-K2-56 | 56 | .1873 | .604 | .5833 | .188 | Delrin | 303 Stainless Steel | |
| LLE-K2-58 | 58 | .1873 | .625 | .6041 | .188 | Delrin | 303 Stainless Steel | |
| LLE-K2-60 | 60 | .1873 | .646 | .6250 | .188 | Delrin | 303 Stainless Steel | |
| LLE-K2-64 | 64 | .1873 | .688 | .6666 | .188 | Delrin | 303 Stainless Steel | |
| LLE-K2-72 | 72 | .1873 | .771 | .7500 | .188 | Delrin | 303 Stainless Steel | |
| LLE-K2-84 | 84 | .1873 | .896 | .8750 | .188 | Delrin | 303 Stainless Steel | |
| LLE-K2-96 | 96 | .1873 | 1.021 | 1.0000 | .188 | Delrin | 303 Stainless Steel | |
| LLE-K2-104 | 104 | .1873 | 1.104 | 1.0833 | .188 | Delrin | 303 Stainless Steel | |
| LLE-K2-108 | 108 | .1873 | 1.146 | 1.1250 | .188 | Delrin | 303 Stainless Steel | |
| LLE-K2-110 | 110 | .1873 | 1.167 | 1.1458 | .188 | Delrin | 303 Stainless Steel | |
| LLE-K2-112 | 112 | .1873 | 1.188 | 1.1666 | .188 | Delrin | 303 Stainless Steel | |
| LLE-K2-116 | 116 | .1873 | 1.229 | 1.2083 | .188 | Delrin | 303 Stainless Steel | |
| LLE-K2-120 | 120 | .1873 | 1.271 | 1.2500 | .188 | Delrin | 303 Stainless Steel | |
| LLE-K2-128 | 128 | .1873 | 1.354 | 1.3333 | .188 | Delrin | 303 Stainless Steel | |
| LLE-K2-144 | 144 | .1873 | 1.521 | 1.5000 | .188 | Delrin | 303 Stainless Steel | |
| LLE-K2-156 | 156 | .1873 | 1.646 | 1.6250 | .188 | Delrin | 303 Stainless Steel | |
| LLE-K2-168 | 168 | .1873 | 1.771 | 1.7500 | .188 | Delrin | 303 Stainless Steel | |
| LLE-K2-180 | 180 | .1873 | 1.896 | 1.8750 | .188 | Delrin | 303 Stainless Steel | |
| LLE-K2-192 | 192 | .1873 | 2.021 | 2.0000 | .188 | Delrin | 303 Stainless Steel | |
| LLE-K2-208 | 208 | .1873 | 2.188 | 2.1666 | .188 | Delrin | 303 Stainless Steel | |
| LLE-K2-216 | 216 | .1873 | 2.271 | 2.2500 | .188 | Delrin | 303 Stainless Steel | |
| LLE-K2-220 | 220 | .1873 | 2.313 | 2.2916 | .188 | Delrin | 303 Stainless Steel | |
| LLE-K2-228 | 228 | .1873 | 2.396 | 2.3750 | .188 | Delrin | 303 Stainless Steel | |
| LLE-K2-240 | 240 | .1873 | 2.521 | 2.5000 | .188 | Delrin | 303 Stainless Steel | |
| LLE-K2-264 | 264 | .1873 | 2.771 | 2.7500 | .188 | Delrin | 303 Stainless Steel | |
| LLE-K2-285 | 285 | .1873 | 2.990 | 2.9687 | .188 | Delrin | 303 Stainless Steel | |
| LLE-K3-52 | 52 | .2498 | .563 | .5416 | .250 | Delrin | 303 Stainless Steel | |
| LLE-K3-53 | 53 | .2498 | .573 | .5520 | .250 | Delrin | 303 Stainless Steel | |
| LLE-K3-54 | 54 | .2498 | .583 | .5625 | .250 | Delrin | 303 Stainless Steel | |
| LLE-K3-55 | 55 | .2498 | .594 | .5729 | .250 | Delrin | 303 Stainless Steel | |
| LLE-K3-56 | 56 | .2498 | .604 | .5833 | .250 | Delrin | 303 Stainless Steel | |
| LLE-K3-58 | 58 | .2498 | .625 | .6041 | .250 | Delrin | 303 Stainless Steel | |
| LLE-K3-60 | 60 | .2498 | .646 | .6250 | .250 | Delrin | 303 Stainless Steel | |
| LLE-K3-64 | 64 | .2498 | .688 | .6666 | .250 | Delrin | 303 Stainless Steel | |
| LLE-K3-72 | 72 | .2498 | .771 | .7500 | .250 | Delrin | 303 Stainless Steel | |
| LLE-K3-84 | 84 | .2498 | .896 | .8750 | .250 | Delrin | 303 Stainless Steel | |
| LLE-K3-96 | 96 | .2498 | 1.021 | 1.0000 | .250 | Delrin | 303 Stainless Steel | |
| LLE-K3-104 | 104 | .2498 | 1.104 | 1.0833 | .250 | Delrin | 303 Stainless Steel | |
| LLE-K3-108 | 108 | .2498 | 1.146 | 1.1250 | .250 | Delrin | 303 Stainless Steel | |
| LLE-K3-110 | 110 | .2498 | 1.167 | 1.1458 | .250 | Delrin | 303 Stainless Steel | |
| LLE-K3-112 | 112 | .2498 | 1.188 | 1.1666 | .250 | Delrin | 303 Stainless Steel | |
| LLE-K3-116 | 116 | .2498 | 1.229 | 1.2083 | .250 | Delrin | 303 Stainless Steel | |
| LLE-K3-120 | 120 | .2498 | 1.271 | 1.2500 | .250 | Delrin | 303 Stainless Steel | |
| LLE-K3-128 | 128 | .2498 | 1.354 | 1.3333 | .250 | Delrin | 303 Stainless Steel | |
| LLE-K3-144 | 144 | .2498 | 1.521 | 1.5000 | .250 | Delrin | 303 Stainless Steel | |
| LLE-K3-156 | 156 | .2498 | 1.646 | 1.6250 | .250 | Delrin | 303 Stainless Steel | |
| LLE-K3-168 | 168 | .2498 | 1.771 | 1.7500 | .250 | Delrin | 303 Stainless Steel | |
| LLE-K3-180 | 180 | .2498 | 1.896 | 1.8750 | .250 | Delrin | 303 Stainless Steel | |
| LLE-K3-192 | 192 | .2498 | 2.021 | 2.0000 | .250 | Delrin | 303 Stainless Steel | |
| LLE-K3-208 | 208 | .2498 | 2.188 | 2.1666 | .250 | Delrin | 303 Stainless Steel | |
| LLE-K3-216 | 216 | .2498 | 2.271 | 2.2500 | .250 | Delrin | 303 Stainless Steel | |
| LLE-K3-220 | 220 | .2498 | 2.313 | 2.2916 | .250 | Delrin | 303 Stainless Steel | |
| LLE-K3-228 | 228 | .2498 | 2.396 | 2.3750 | .250 | Delrin | 303 Stainless Steel | |
| LLE-K3-240 | 240 | .2498 | 2.521 | 2.5000 | .250 | Delrin | 303 Stainless Steel | |
| LLE-K3-264 | 264 | .2498 | 2.771 | 2.7500 | .250 | Delrin | 303 Stainless Steel | |
| LLE-K3-285 | 285 | .2498 | 2.990 | 2.9687 | .250 | Delrin | 303 Stainless Steel | |