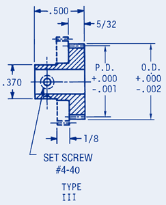
| Cluster Hub Gears 24 Pitch-120 Pitch-1/4 Bore Type III  | 
 | 
| Material: 303 stainless steel, 20 degree pressure angle AGMA Quality 10. *Diameters concentric within .0003 | |
| Part | Number of Teeth | Outside Diameter | Pitch Diameter | Pitch | |
|---|---|---|---|---|---|
| Buy | View | ||||
| LPS-C3-12 | 12 | .583 | .5000 | 24 | |
| LPS-C3-13 | 13 | .625 | .5418 | 24 | |
| LPS-C3-14 | 14 | .667 | .5833 | 24 | |
| LPS-C3-15 | 15 | .708 | .6250 | 24 | |
| LPS-D3-15 | 15 | .531 | .4688 | 32 | |
| LPS-D3-16 | 16 | .563 | .5000 | 32 | |
| LPS-D3-17 | 17 | .594 | .5313 | 32 | |
| LPS-D3-18 | 18 | .625 | .5625 | 32 | |
| LPS-D3-19 | 19 | .656 | .5938 | 32 | |
| LPS-D3-20 | 20 | .688 | .6250 | 32 | |
| LPS-E3-20 | 20 | .458 | .4166 | 48 | |
| LPS-E3-21 | 21 | .479 | .4375 | 48 | |
| LPS-E3-22 | 22 | .500 | .4583 | 48 | |
| LPS-E3-23 | 23 | .521 | .4791 | 48 | |
| LPS-E3-24 | 24 | .542 | .5000 | 48 | |
| LPS-E3-25 | 25 | .563 | .5208 | 48 | |
| LPS-E3-26 | 26 | .583 | .5416 | 48 | |
| LPS-E3-28 | 28 | .625 | .5833 | 48 | |
| LPS-E3-30 | 30 | .667 | .6250 | 48 | |
| LPS-E3-32 | 32 | .708 | .6666 | 48 | |
| LPS-F3-27 | 27 | .453 | .4218 | 64 | |
| LPS-F3-28 | 28 | .469 | .4375 | 64 | |
| LPS-F3-30 | 30 | .500 | .4687 | 64 | |
| LPS-F3-32 | 32 | .531 | .5000 | 64 | |
| LPS-F3-34 | 34 | .563 | .5312 | 64 | |
| LPS-F3-36 | 36 | .594 | .5625 | 64 | |
| LPS-F3-38 | 38 | .625 | .5937 | 64 | |
| LPS-F3-40 | 40 | .656 | .6250 | 64 | |
| LPS-F3-42 | 42 | .688 | .6562 | 64 | |
| LPS-F3-44 | 44 | .719 | .6875 | 64 | |
| LPS-G3-30 | 30 | .444 | .4166 | 72 | |
| LPS-G3-32 | 32 | .472 | .4444 | 72 | |
| LPS-G3-34 | 34 | .500 | .4722 | 72 | |
| LPS-G3-36 | 36 | .528 | .5000 | 72 | |
| LPS-G3-38 | 38 | .556 | .5277 | 72 | |
| LPS-G3-40 | 40 | .583 | .5555 | 72 | |
| LPS-G3-42 | 42 | .611 | .5833 | 72 | |
| LPS-G3-44 | 44 | .639 | .6111 | 72 | |
| LPS-G3-48 | 48 | .694 | .6666 | 72 | |
| LPS-G3-50 | 50 | .722 | .6944 | 72 | |
| LPS-H3-34 | 34 | .450 | .4250 | 80 | |
| LPS-H3-35 | 35 | .463 | .4375 | 80 | |
| LPS-H3-36 | 36 | .475 | .4500 | 80 | |
| LPS-H3-38 | 38 | .500 | .4750 | 80 | |
| LPS-H3-40 | 40 | .525 | .5000 | 80 | |
| LPS-H3-42 | 42 | .550 | .5250 | 80 | |
| LPS-H3-44 | 44 | .575 | .5500 | 80 | |
| LPS-H3-45 | 45 | .588 | .5625 | 80 | |
| LPS-H3-50 | 50 | .650 | .6250 | 80 | |
| LPS-H3-55 | 55 | .713 | .6875 | 80 | |
| LPS-J3-40 | 40 | .438 | .4166 | 96 | |
| LPS-J3-44 | 44 | .479 | .4583 | 96 | |
| LPS-J3-46 | 46 | .500 | .4791 | 96 | |
| LPS-J3-48 | 48 | .521 | .5000 | 96 | |
| LPS-J3-50 | 50 | .542 | .5208 | 96 | |
| LPS-J3-52 | 52 | .563 | .5416 | 96 | |
| LPS-J3-54 | 54 | .583 | .5625 | 96 | |
| LPS-J3-56 | 56 | .604 | .5833 | 96 | |
| LPS-J3-60 | 60 | .646 | .6250 | 96 | |
| LPS-J3-64 | 64 | .688 | .6666 | 96 | |
| LPS-K3-48 | 48 | .417 | .4000 | 120 | |
| LPS-K3-50 | 50 | .433 | .4166 | 120 | |
| LPS-K3-52 | 52 | .450 | .4333 | 120 | |
| LPS-K3-54 | 54 | .467 | .4500 | 120 | |
| LPS-K3-60 | 60 | .517 | .5000 | 120 | |
| LPS-K3-66 | 66 | .567 | .5500 | 120 | |
| LPS-K3-70 | 70 | .600 | .5833 | 120 | |
| LPS-K3-75 | 75 | .642 | .6250 | 120 | |
| LPS-K3-80 | 80 | .683 | .6666 | 120 | |
| LPS-K3-84 | 84 | .717 | .7000 | 120 | |