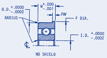
| Precision Ball Bearings, Inch, Abec 7, flanged, no shield  | 
 | 
| Material: 400 series stainless steel | |
| Part | Outside Diameter | Radius | Inside Diameter | Width | Flange Width | Flange Diameter | |
|---|---|---|---|---|---|---|---|
| Buy | View | ||||||
| ABS-A2-1 | 0.1562 | .003 | .0469 | .0625 | .013 | .203 | |
| ABS-A2-3 | 0.1875 | .003 | .0550 | .0781 | .023 | .234 | |
| ABS-A2-5 | 0.2500 | .003 | .0781 | .0937 | .023 | .296 | |
| ABS-A2-7 | 0.3125 | .003 | .0937 | .1094 | .023 | .359 | |
| ABS-A2-9 | 0.2500 | .003 | .1250 | .0937 | .023 | .296 | |
| ABS-A2-11 | 0.3125 | .003 | .1250 | .1094 | .023 | .359 | |
| ABS-A2-13 | 0.3750 | .012 | .1250 | .1562 | .030 | .440 | |
| ABS-A2-15 | 0.3750 | .003 | .1875 | .1250 | .023 | .422 | |
| ABS-A2-17 | 0.5000 | .012 | .1875 | .1562 | .042 | .565 | |
| ABS-A2-19 | 0.3750 | .003 | .2500 | .1250 | .023 | .422 | |
| ABS-A2-21 | 0.5000 | .005 | .2500 | .1250 | .023 | .547 | |
| ABS-A2-23 | 0.6250 | .012 | .2500 | .1960 | .042 | .690 | |
| ABS-A2-25 | 0.5000 | .005 | .3125 | .1562 | .031 | .547 | |
| ABS-A2-27 | 0.8750 | .016 | .3750 | .2812 | .062 | .969 | |
| ABS-A2-29 | 0.1875 | .003 | .0937 | .0625 | .018 | .234 | |
| ABS-A2-31 | 0.3750 | .005 | .1250 | .1094 | .023 | .422 | |
| ABS-A2-33 | 0.3125 | .003 | .1562 | .1094 | .023 | .359 | |
| ABS-A2-35 | 0.3125 | .003 | .1875 | .1094 | .023 | .359 | |
| ABS-A2-45 | 0.1250 | .003 | .0400 | .0469 | .013 | .171 | |
| ABS-A2-47 | 1.1250 | .016 | .5000 | .3125 | .062 | 1.225 | |