| Timing Belt Pinions/Integral shafts  | 
 | 
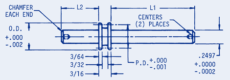
| Material: 303 Stainless Steel Clear Passivate | |
| Part | No. Teeth | Pressure Angle | Length 1 | Pitch Diameter | Outside Diameter | Length 2 | Overall Length | |
|---|---|---|---|---|---|---|---|---|
| Buy | View | 20.00000 | 3-3/16 | |||||
| FLS-D3-14 | 14 | 20 | 3.000 | .4375 | .5000 | - | 3-3/16 | |
| FLS-D3-15 | 15 | 20 | 3.000 | .4687 | .5312 | - | 3-3/16 | |
| FLS-D3-16 | 16 | 20 | 3.000 | .5000 | .5625 | - | 3-3/16 | |
| FLS-D9-14 | 14 | 20 | 1.500 | .4375 | .5000 | 1-1/2 | 3-3/16 | |
| FLS-D9-15 | 15 | 20 | 1.500 | .4687 | .5312 | 1-1/2 | 3-3/16 | |
| FLS-D9-16 | 16 | 20 | 1.500 | .5000 | .5625 | 1-1/2 | 3-3/16 | |