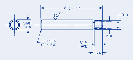
| Pinion Shafts 1/4" face  | 
 | 
| 20 degree pressure angle Material: 303 stainless steel. Available in AGMA quality 10 only. | |
| Part | Number of Teeth | Outside Diameter +.000/-.002 | Pitch | Pitch Diameter +.000/-.001 | Shaft Diameter +.0000/-.0002 | Chamfer | |
|---|---|---|---|---|---|---|---|
| Buy | View | .01500 | |||||
| LDS-E3-10 | 10 | .250 | 48 | .2083 | .2497 | .015 | |
| LDS-F3-12 | 12 | .219 | 64 | .1875 | .2497 | .015 | |
| LDS-F3-14 | 14 | .250 | 64 | .2187 | .2497 | .015 | |
| LDS-G2-10 | 10 | .166 | 72 | .1388 | .1872 | .015 | |
| LDS-G3-14 | 14 | .222 | 72 | .1944 | .2497 | .015 | |
| LDS-G3-16 | 16 | .250 | 72 | .2222 | .2497 | .015 | |
| LDS-H2-10 | 10 | .150 | 80 | .1250 | .1872 | .015 | |
| LDS-H2-12 | 12 | .175 | 80 | .1500 | .1872 | .015 | |
| LDS-H3-10 | 10 | .150 | 80 | .1250 | .2497 | .015 | |
| LDS-H3-12 | 12 | .175 | 80 | .1500 | .2497 | .015 | |
| LDS-H3-14 | 14 | .200 | 80 | .1750 | .2497 | .015 | |
| LDS-H3-16 | 16 | .225 | 80 | .2000 | .2497 | .015 | |
| LDS-H3-18 | 18 | .250 | 80 | .2250 | .2497 | .015 | |
| LDS-J1-10 | 10 | .125 | 96 | .1042 | .1247 | .015 | |
| LDS-J2-10 | 10 | .125 | 96 | .1042 | .1872 | .015 | |
| LDS-J2-11 | 11 | .135 | 96 | .1145 | .1872 | .015 | |
| LDS-J2-12 | 12 | .146 | 96 | .1250 | .1872 | .015 | |
| LDS-J2-14 | 14 | .166 | 96 | .1458 | .1872 | .015 | |
| LDS-J3-16 | 16 | .187 | 96 | .1666 | .2497 | .015 | |
| LDS-J3-18 | 18 | .208 | 96 | .1875 | .2497 | .015 | |
| LDS-K1-12 | 12 | .116 | 120 | .1000 | .1247 | .015 | |