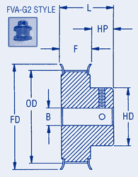
| Timing Belt Pulleys 0.080" Pitch 1/8 Wide Double Flange  | 
 | 
| Material: Aluminum Alloy Andodized | |
| Part | No. of Grooves | Bore +.001 | Outside Diameter +.003 | Flange Diameter +/-1/64 | Flange Width | Hub Diameter +/-1/64 | Length +/-1/64 | Hub Projection | Pitch Diameter | |
|---|---|---|---|---|---|---|---|---|---|---|
| Buy | View | |||||||||
| FVA-G2-18 | 18 | 3/16 | .438 | .635 | .260 | .312 | 31/64 | 7/32 | .458 | |
| FVA-G2-20 | 20 | 3/16 | .489 | .685 | .260 | .364 | 31/64 | 7/32 | .509 | |
| FVA-G2-21 | 21 | 3/16 | .515 | .710 | .260 | .390 | 31/64 | 7/32 | .535 | |
| FVA-G2-22 | 22 | 3/16 | .540 | .740 | .260 | .390 | 31/64 | 7/32 | .560 | |
| FVA-G2-24 | 24 | 1/4 | .591 | .790 | .260 | .442 | 33/64 | 1/4 | .611 | |
| FVA-G2-28 | 28 | 1/4 | .693 | .895 | .260 | .494 | 33/64 | 1/4 | .713 | |
| FVA-G2-30 | 30 | 1/4 | .744 | .945 | .260 | .546 | 33/64 | 1/4 | .764 | |
| FVA-G2-32 | 32 | 1/4 | .795 | 1.000 | .260 | .598 | 33/64 | 1/4 | .815 | |
| FVA-G2-36 | 36 | 1/4 | .897 | 1.105 | .260 | .676 | 33/64 | 1/4 | .917 | |
| FVA-G2-40 | 40 | 1/4 | .999 | 1.210 | .276 | .754 | 17/32 | 1/4 | 1.019 | |
| FVA-G2-42 | 42 | 1/4 | 1.050 | 1.260 | .276 | .806 | 17/32 | 1/4 | 1.070 | |
| FVA-G2-44 | 44 | 1/4 | 1.100 | 1.315 | .276 | .858 | 17/32 | 1/4 | 1.120 | |
| FVA-G2-48 | 48 | 1/4 | 1.202 | 1.420 | .276 | .936 | 17/32 | 1/4 | 1.222 | |
| FVA-G2-60 | 60 | 1/4 | 1.508 | 1.730 | .276 | 1.222 | 17/32 | 1/4 | 1.528 | |