| Straight Shaft Extensions  | 
 | 
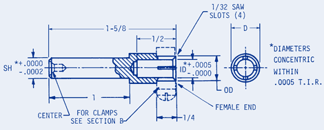
| Material: 303 stainless steel | |
| Part | Shaft | Inside Diameter | Outside Diameter | Diameter | Shaft Size Male to Female | |
|---|---|---|---|---|---|---|
| Buy | View | |||||
| JOS-A1-1 | .1247 | .1248 | .188 | .250 | 1/8 to 1/8 | |
| JOS-A1-2 | .1872 | .1873 | .250 | .312 | 3/16 to 3/16 | |
| JOS-A1-3 | .2497 | .2498 | .312 | .375 | 1/4 to 1/4 | |
| JOS-A1-4 | .1247 | .1873 | .250 | .312 | 1/8 to 3/16 | |
| JOS-A1-5 | .1247 | .2498 | .312 | .375 | 1/8 to 1/4 | |
| JOS-A1-6 | .1872 | .2498 | .312 | .375 | 3/16 to 1/4 | |
| JOS-A1-7 | .1872 | .1248 | .188 | .250 | 3/16 to 1/8 | |
| JOS-A1-8 | .2497 | .1248 | .188 | .250 | 1/4 to 1/8 | |
| JOS-A1-9 | .2497 | .1873 | .250 | .312 | 1/4 to 3/16 | |
| JOS-A1-10 | .1247 | .1200 | .188 | .250 | 1/8 to .1200 | |
| JOS-A1-11 | .2497 | .3748 | .437 | .500 | 1/4 to 3/8 | |
| JOS-A1-12 | .3747 | .2498 | .312 | .375 | 3/8 to 1/4 | |
| JOS-A1-13 | .3747 | .3748 | .437 | .500 | 3/8 to 3/8 | |