| Thrust Bearing Stainless Steel and Carbon Steel Inch  | 
 | 
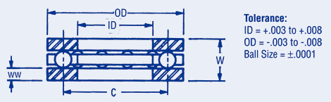
| Material: (Stainless steel - 440C SS RC58-65 Retainer- Nylon Washers CR410 RC38-42) (Carbon steel - Balls SAE 1018 steel RC60 min. Retainer Nylon, Washers - CR1075 RC59-61 | |
| Part | Diameter ID | Diameter OD | Width | Number Of Balls | Center Diameter | Washer Width | Ball Diameter | |
|---|---|---|---|---|---|---|---|---|
| Buy | View | |||||||
| AAY-A2-1 | 8.0000 | 10.000 | 16.000 | 18 | 24 | 26 | 28 | |
| AAY-A2-2 | 4.0000 | 5.000 | 8.000 | 9 | 12 | 13 | 14 | |
| AFC-A2-012 | .1250 | .438 | .195 | 6 | 9/32 | .050 +/-.002 | 3/32 | |
| AFC-A2-018 | .1875 | .500 | .195 | 7 | 11/32 | .050 +/-.002 | 3/32 | |
| AFC-A2-025 | .2500 | .562 | .195 | 8 | 13/32 | .050 +/-.002 | 3/32 | |
| AFC-A2-031 | .3125 | .625 | .195 | 9 | 15/32 | .050 +/-.002 | 3/32 | |
| AFC-A2-037 | .3750 | .813 | .249 | 6 | 19/32 | .062 +/-.002 | 1/8 | |
| AFC-A2-043 | .4380 | .875 | .249 | 7 | 21/32 | .062 +/-.002 | 1/8 | |
| AFC-A2-050 | .5000 | .938 | .249 | 8 | 23/32 | .062 +/-.002 | 1/8 | |
| AFC-A2-062 | .6250 | 1.125 | .342 | 6 | 7/8 | .093 +/-.003 | 5/32 | |
| AFC-A2-075 | .7500 | 1.250 | .342 | 8 | 1 | .093 +/-.003 | 5/32 | |
| AFC-A2-087 | .8750 | 1.375 | .342 | 10 | 1-1/8 | .093 +/-.003 | 5/32 | |
| AFC-A2-100 | 1.0000 | 1.625 | .437 | 10 | 1-5/16 | .125 +/-.005 | 3/16 | |
| AFC-A2-112 | 1.1250 | 1.750 | .437 | 12 | 1-7/16 | .125 +/-.005 | 3/16 | |
| AFC-A2-125 | 1.2500 | 1.875 | .437 | 14 | 1-9/16 | .125 +/-.005 | 3/16 | |
| AFS-A1-012 | .1250 | .438 | .195 | 6 | 9/32 | .050 +/-.002 | 3/32 | |
| AFS-A1-018 | .1875 | .500 | .195 | 7 | 11/32 | .050 +/-.002 | 3/32 | |
| AFS-A1-025 | .2500 | .562 | .195 | 8 | 13/32 | .050 +/-.002 | 3/32 | |
| AFS-A1-031 | .3125 | .625 | .195 | 9 | 15/32 | .050 +/-.002 | 3/32 | |
| AFS-A1-037 | .3750 | .813 | .249 | 6 | 19/32 | .062 +/-.002 | 1/8 | |
| AFS-A1-043 | .4380 | .875 | .249 | 7 | 21/32 | .062 +/-.002 | 1/8 | |
| AFS-A1-050 | .5000 | .938 | .249 | 8 | 23/32 | .062 +/-.002 | 1/8 | |
| AFS-A1-062 | .6250 | 1.125 | .342 | 6 | 7/8 | .093 +/- .003 | 5/32 | |
| AFS-A1-075 | .7500 | 1.250 | .342 | 8 | 1 | .093 +/- .003 | 5/32 | |
| AFS-A1-087 | .8750 | 1.375 | .342 | 10 | 1-1/8 | .093 +/- .003 | 5/32 | |
| AFS-A1-100 | 1.0000 | 1.625 | .437 | 10 | 1-5/16 | .125 +/-.005 | 3/16 | |
| AFS-A1-112 | 1.1250 | 1.750 | .437 | 12 | 1-7/16 | .125 +/-.005 | 3/16 | |
| AFS-A1-125 | 1.2500 | 1.875 | .437 | 14 | 1-9/16 | .125 +/-.005 | 3/16 | |